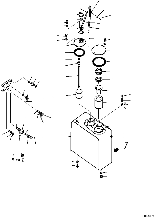
Запчасти Komatsu PC200-8 ГИДРАВЛ МАСЛ. БАК (ЛЕСОЗАГОТОВИТЕЛЬНАЯ ТЕХНИКА СПЕЦ-Я) ГИДРАВЛИКА

Схема запчастей Komatsu PC200-8 - ГИДРАВЛ МАСЛ. БАК (ЛЕСОЗАГОТОВИТЕЛЬНАЯ ТЕХНИКА СПЕЦ-Я) ГИДРАВЛИКА
51
52
50
48
49
53
31
32
29
30
28
27
26
25
47
41
42
45
46
39
40
37
38
35
34
33
36
43
44
2
3
54
2
1
21
22
23
24
16
15
17
7
6
8
11
9
14
56
55
5
4
13
12
10
19
18
20
FIT
1:1
100%

Артикул

Название

Примечание

Количество

1

20Y-60-B2112

TANK

2

203-60-31100

ELBOW ASS'Y

3

203-60-31160

TUBE

4

07044-12412

PLUG

5

07002-12434

O-RING

6

02781-00628

UNION

7

02896-11018

O-RING

8

07002-12434

O-RING

9

20U-62-46570

ELBOW

10

02896-11015

O-RING

11

07002-12434

O-RING

12

02782-10422

ELBOW

13

02896-11012

O-RING

14

02896-12034

O-RING

15

02782-13015

ELBOW

16

02896-11009

O-RING

17

07002-12034

O-RING

18

02782-10311

ELBOW

19

02896-11009

O-RING

20

07002-11423

O-RING

21

02782-10315

TEE

22

02896-11009

O-RING

23

02896-11008

O-RING

24

07002-12034

O-RING

25

207-60-71182

ELEMENT

26

20Y-60-31140

STRAINER

27

20Y-60-31131

VALVE ASS'Y

28

07069-34075

SPRING

29

22U-60-31232

COVER

30

07000-15195

O-RING

31

01010-81230

BOLT

32

01643-31232

WASHER

|33

20Y-60-31171

STRAINER ASS'Y

33

207-60-61150

ROD ASS'Y

34

20Y-60-21320

HOLDER

35

12R-60-11230

SPRING

36

22B-60-11160

STRAINER

37

20Y-60-B2130

COVER

38

07000-15160

O-RING

39

01010-81230

BOLT

40

01643-31232

WASHER

41

17A-60-11310

CAP ASS'Y

42

20Y-60-21470

ELEMENT

43

208-60-71181

FILLER NECK

44

20Y-60-21340

GASKET

45

01252-70516

BOLT

46

01601-20513

WASHER

47

07285-00155

CLIP

48

07270-01420

HOSE

49

20Y-60-B2120

TUBE

50

04434-51410

CLIP

51

01010-80812

BOLT

52

01643-30823

WASHER

53

07270-01490

HOSE

54

205-00-73360

PLATE, OIL LEVEL

55

01010-81635

BOLT

56

01643-31645

WASHER

Выбрано товаров: 57