Запчасти Komatsu PC200-8 ВОЗВРАТ. ЛИНИЯ ГИДРАВЛИКА

Схема запчастей Komatsu PC200-8 - ВОЗВРАТ. ЛИНИЯ ГИДРАВЛИКА
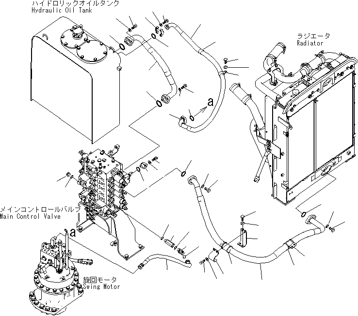
23
22
23
30
25
29
24
33
35
34
33
28
31
32
30
29
26
27
18
17
37
36
39
38
2
4
3
12
11
14
13
15
16
8
9
7
10
1
10
7
5
6
2
21
19
20
FIT
1:1
100%

Артикул

Название

Примечание

Количество

1

206-62-21181

HOSE

2

07000-13048

O-RING

3

01010-81240

BOLT

4

01643-31232

WASHER

5

01010-81240

BOLT

6

01643-31232

WASHER

7

22U-62-21551

CLAMP

8

01010-81225

BOLT

9

01643-31232

WASHER

10

07095-01245

CUSHION

11

203-62-61410

JOINT

12

07002-12434

O-RING

13

02783-10628

ELBOW

14

07002-12434

O-RING

15

02896-11018

O-RING

16

02753-00608

HOSE

17

07040-12412

PLUG

18

07002-12434

O-RING

19

20Y-62-51461

BRACKET

20

01010-81225

BOLT

21

01643-31232

WASHER

22

20Y-62-51251

HOSE

23

07000-13048

O-RING

24

01010-81240

BOLT

25

01643-31232

WASHER

26

01010-81235

BOLT

27

01643-31232

WASHER

28

20Y-62-51332

HOSE

29

07000-13032

O-RING

30

07371-31049

FLANGE

31

07372-21035

BOLT

32

01643-51032

WASHER

33

281-01-13180

CLIP

34

01010-81225

BOLT

35

01643-31232

WASHER

36

20Y-62-53160

FLANGE

37

07000-13040

O-RING

38

01010-81035

BOLT

39

01643-31032

WASHER

Выбрано товаров: 39