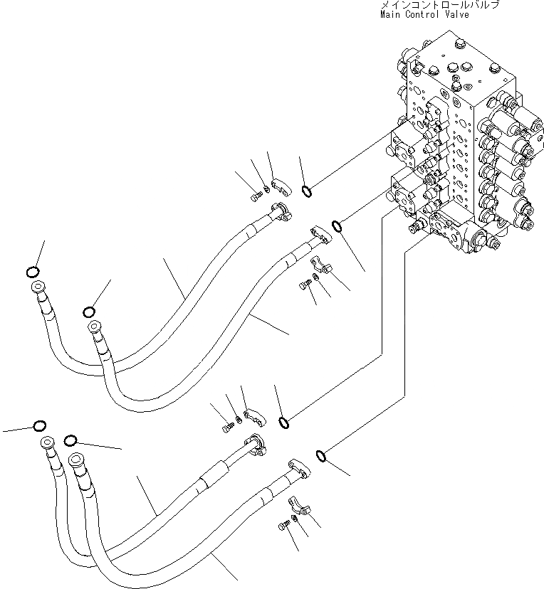
Запчасти Komatsu PC200-8 ГИДРОЛИНИЯ РУКОЯТИ И КОВША(С РУКОЯТЬ HOLDING КЛАПАН) ГИДРАВЛИКА

Схема запчастей Komatsu PC200-8 - ГИДРОЛИНИЯ РУКОЯТИ И КОВША(С РУКОЯТЬ HOLDING КЛАПАН) ГИДРАВЛИКА
1
2
2
3
4
5
6
7
8
9
10
11
12
13
13
14
15
16
17
18
18
19
20
21
FIT
1:1
100%

Артикул

Название

Примечание

Количество

1

20Y-62-51240

HOSE

2

07000-13032

O-RING

3

07371-31049

FLANGE

4

07372-21035

BOLT

5

01643-51032

WASHER

6

20Y-62-41860

HOSE¤ 1350MM

7

07000-13025

O-RING

8

07000-13032

O-RING

9

07371-31049

FLANGE

10

07372-21035

BOLT

11

01643-51032

WASHER

12

20Y-62-41181

HOSE¤ 1300MM

13

07000-13025

O-RING

14

07371-30640

FLANGE

15

07372-21035

BOLT

16

01643-51032

WASHER

17

20Y-62-41181

HOSE¤ 1300MM

18

07000-13025

O-RING

19

07371-30640

FLANGE

20

07372-21035

BOLT

21

01643-51032

WASHER

Выбрано товаров: 21