Запчасти Komatsu PC200-8 КАБИНА (ПОЛ) (P.P.C. РЫЧАГ БЛОКИРОВКИ И БЕЗ РАДИО) КАБИНА ОПЕРАТОРА И СИСТЕМА УПРАВЛЕНИЯ

Схема запчастей Komatsu PC200-8 - КАБИНА (ПОЛ) (P.P.C. РЫЧАГ БЛОКИРОВКИ И БЕЗ РАДИО) КАБИНА ОПЕРАТОРА И СИСТЕМА УПРАВЛЕНИЯ
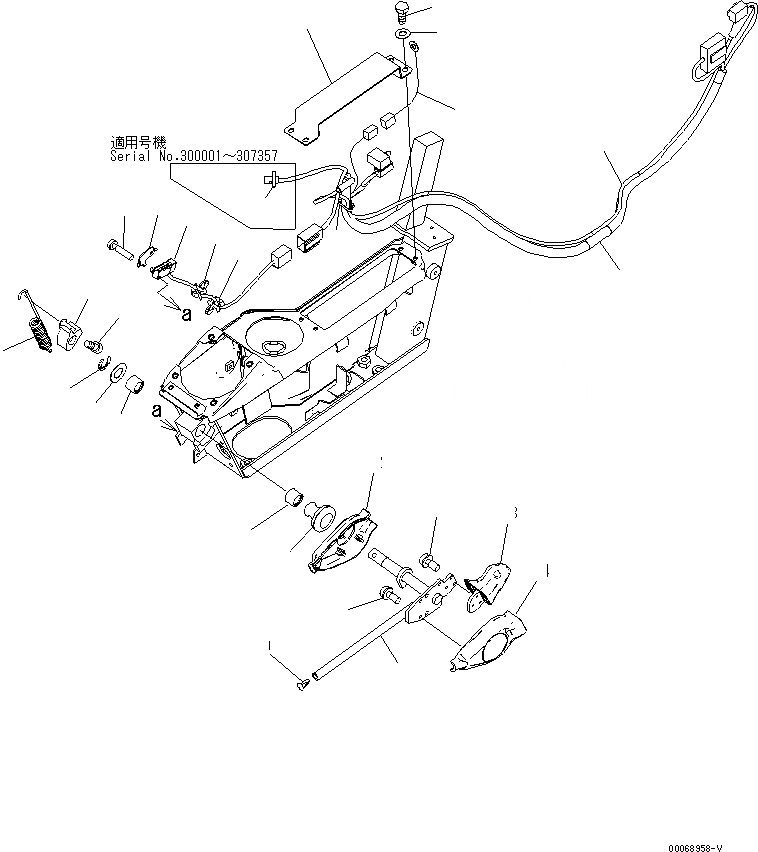
1
2
3
4
5
6
6
7
8
8
9
10
11
12
13
14
15
16
17
18
19
20
20
21
22
23
23
24
FIT
1:1
100%

Артикул

Название

Примечание

Количество

1

20Y-43-41730

PLATE

2

01010-80612

BOLT

3

01643-30623

WASHER

4

08912-51600

CORD

5

20Y-06-41121

WIRING HARNESS

5

20Y-06-41120

WIRING HARNESS

6

08034-20414

BAND

6

08034-20414

BAND

7

20Y-06-41830

HARNESS

8

01023-60410

SCREW

9

08037-11425

GROMMET

10

208-53-12280

CAP

11

20Y-43-31513

LEVER

12

20Y-43-31522

COVER

13

20Y-43-31611

KNOB

14

20Y-43-31621

COVER

15

20Y-43-31432

CAM

16

01252-70816

BOLT

17

20Y-43-31421

SPRING

18

20Y-43-31440

RING

19

20Y-43-31450

RING

20

06124-01616

BEARING

21

22U-06-22490

PLATE

22

22U-06-22360

SWITCH ASS'Y

23

22U-43-23260

CLIP

24

01023-60316

SCREW

Выбрано товаров: 26