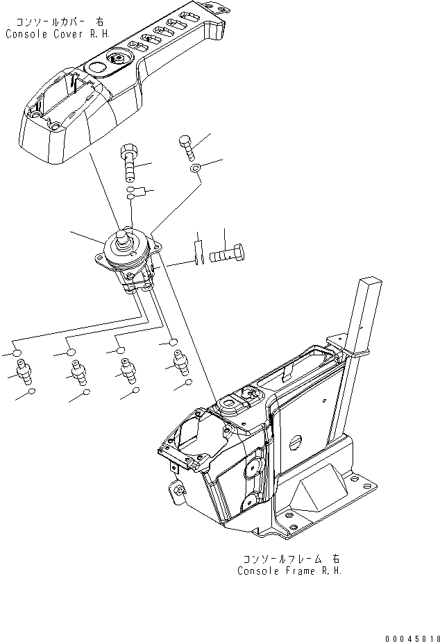
Запчасти Komatsu PC200-8 КАБИНА (ПОЛ) (КЛАПАН¤ ПРАВ.) КАБИНА ОПЕРАТОРА И СИСТЕМА УПРАВЛЕНИЯ

Схема запчастей Komatsu PC200-8 - КАБИНА (ПОЛ) (КЛАПАН¤ ПРАВ.) КАБИНА ОПЕРАТОРА И СИСТЕМА УПРАВЛЕНИЯ
1
2
3
4
5
6
7
8
8
9
9
10
10
11
11
12
12
12
12
FIT
1:1
100%

Артикул

Название

Примечание

Количество

1

702-16-03530

PILOT VALVE

2

01010-80820

BOLT

3

01643-30823

WASHER

4

20Y-62-18910

BOLT

5

07000-12018

O-RING

6

20Y-62-18890

BOLT, JOINT

7

07000-12015

O-RING

8

11Y-62-12130

NIPPLE

9

02896-11008

O-RING

10

11Y-62-12520

NIPPLE

11

02896-11009

O-RING

12

07002-11423

O-RING

Выбрано товаров: 12