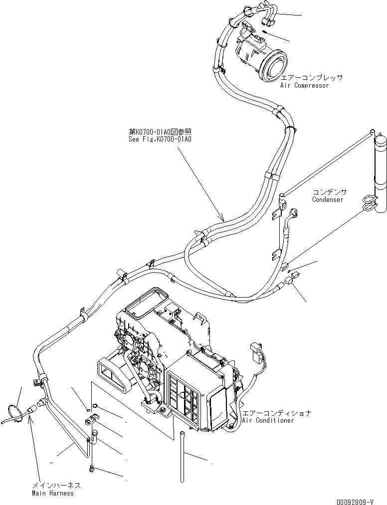
Запчасти Komatsu PC200-8 КАБИНА (ПОЛ) (ПАТРУБКИ КОНДИЦИОНЕРА) КАБИНА ОПЕРАТОРА И СИСТЕМА УПРАВЛЕНИЯ

Схема запчастей Komatsu PC200-8 - КАБИНА (ПОЛ) (ПАТРУБКИ КОНДИЦИОНЕРА) КАБИНА ОПЕРАТОРА И СИСТЕМА УПРАВЛЕНИЯ
1
2
2
3
3
4
4
5
5
6
7
8
FIT
1:1
100%

Артикул

Название

Примечание

Количество

1

208-979-7640

HOSE, 300MM

2

20Y-810-1311

HOSE

3

20Y-979-3150

O-RING

4

20Y-810-1321

HOSE

5

20Y-979-3130

O-RING

6

208-979-7650

CONNECTOR

7

01435-40620

BOLT

8

08034-20536

BAND

Выбрано товаров: 8