Запчасти Komatsu PC200-8 LS ЛИНИИ ГИДРАВЛИКА

Схема запчастей Komatsu PC200-8 - LS ЛИНИИ ГИДРАВЛИКА
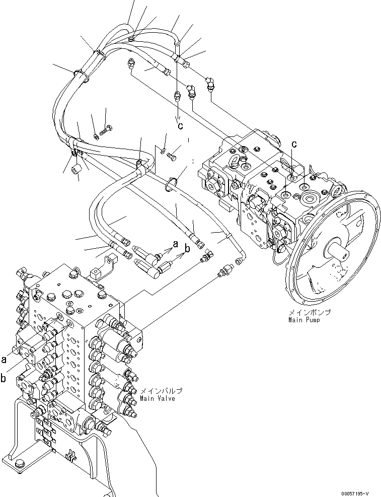
1
1
2
2
3
3
4
4
5
5
6
6
7
7
8
8
9
10
11
12
13
14
15
16
17
18
18
18
FIT
1:1
100%

Артикул

Название

Примечание

Количество

1

20Y-62-53651

HOSE

1

20Y-62-44430

HOSE, 1600MM

2

20Y-62-53661

HOSE

2

20Y-62-53150

HOSE

3

20Y-62-22790

BAND, RED

4

20Y-62-22830

BAND, WHITE

5

20Y-62-53671

HOSE

5

20Y-62-53670

HOSE

6

20Y-62-22820

BAND, BLUE

7

20Y-62-52860

HOSE

8

20Y-62-22810

BAND, YELLOW

9

04435-51612

CLIP

10

01010-81220

BOLT

11

01643-31232

WASHER

12

04435-51612

CLIP

13

04434-51312

CLIP

14

04434-51812

CLIP

14

04434-51612

CLIP

15

195-33-11220

SPACER

16

01010-81255

BOLT

17

01643-31232

WASHER

18

08034-20536

BAND

Выбрано товаров: 22