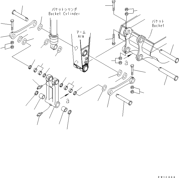
Запчасти Komatsu PC200-8 РУКОЯТЬ (СОЕДИНЕНИЕ КОВША) (УСИЛ.) (ДЛЯ .9M РУКОЯТЬ)(№-) РАБОЧЕЕ ОБОРУДОВАНИЕ

Схема запчастей Komatsu PC200-8 - РУКОЯТЬ (СОЕДИНЕНИЕ КОВША) (УСИЛ.) (ДЛЯ .9M РУКОЯТЬ)(№-) РАБОЧЕЕ ОБОРУДОВАНИЕ
1
2
2
3
3
4
4
5
5
5
5
6
6
7
7
8
9
10
11
11
12
13
14
15
16
16
16
16
17
18
19
20
21
22
23
FIT
1:1
100%

Артикул

Название

Примечание

Количество

|$9

20Y-70-00961

LINK ASS'Y

1

LINK

2

20Y-70-32351

BUSHING

3

20Y-70-32361

BUSHING

4

07020-00000

FITTING,GREASE

5

20Y-70-23220

SEAL

6

20Y-70-23230

SEAL

7

205-70-73130

LINK

8

22U-70-21191

PIN

8

22U-70-21192

PIN

9

20Y-70-32450

BOLT

10

01580-12016

NUT

11

20Y-70-31451

SPACER, 1.0MM

12

20Y-70-31461

SPACER, 2.0MM

13

22U-70-21191

PIN

13

22U-70-21192

PIN

14

20Y-70-32450

BOLT

15

01580-12016

NUT

16

20Y-70-31441

SPACER, 1.0MM

17

20Y-70-31481

SPACER, 2.0MM

18

205-70-73270

PIN

19

20Y-70-32450

BOLT

20

01580-12016

NUT

21

205-70-73270

PIN

22

20Y-70-32460

BOLT

23

01580-12016

NUT

Выбрано товаров: 26