Запчасти Komatsu PC200-8 ТОПЛИВН. REFILL НАСОС(№-) РАЗНОЕ

Схема запчастей Komatsu PC200-8 - ТОПЛИВН. REFILL НАСОС(№-) РАЗНОЕ
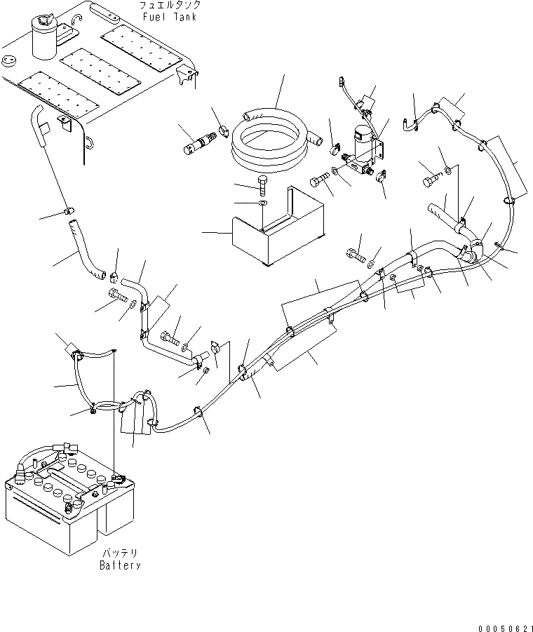
1
2
3
4
4
5
6
7
8
9
9
10
11
12
13
14
15
16
17
18
18
19
19
19
19
19
20
21
22
23
24
25
25
26
27
28
29
30
30
30
30
30
30
30
30
30
30
30
31
32
32
FIT
1:1
100%

Артикул

Название

Примечание

Количество

1

21K-04-K1130

PUMP ASS'Y

1

206-04-K1111

PUMP ASS'Y,(SEE FIG. Y1040-01H0)

2

20Y-04-K2450

VALVE ASS'Y

3

20Y-04-K2351

HOSE

4

206-04-K1121

HOSE

5

206-04-K1131

HOSE

6

08034-20519

BAND

7

01010-81225

BOLT

8

01643-31232

WASHER

9

07289-00035

CLAMP

10

206-04-71130

TUBE

11

04434-52512

CLIP

12

01010-81225

BOLT

13

01643-31232

WASHER

14

04434-52512

CLIP

15

198-43-15310

COLLAR, 10MM

16

01010-81235

BOLT

17

01643-31232

WASHER

18

07289-00035

CLAMP

19

581-04-22290

CLIP

20

01010-81225

BOLT

21

01643-31232

WASHER

22

198-43-15310

COLLAR, 10MM

23

01010-81235

BOLT

24

01643-31232

WASHER

25

07289-00035

CLAMP

26

20Y-04-38170

BRACKET

27

01010-81020

BOLT

28

01643-31032

WASHER

29

20Y-06-41950

WIRING HARNESS

30

08034-20536

BAND

31

205-62-53780

COVER

32

08034-20834

BAND

Выбрано товаров: 0