Запчасти Komatsu PC200-8 ЛИНИЯ ХОДА(№-) ГИДРАВЛИКА

Схема запчастей Komatsu PC200-8 - ЛИНИЯ ХОДА(№-) ГИДРАВЛИКА
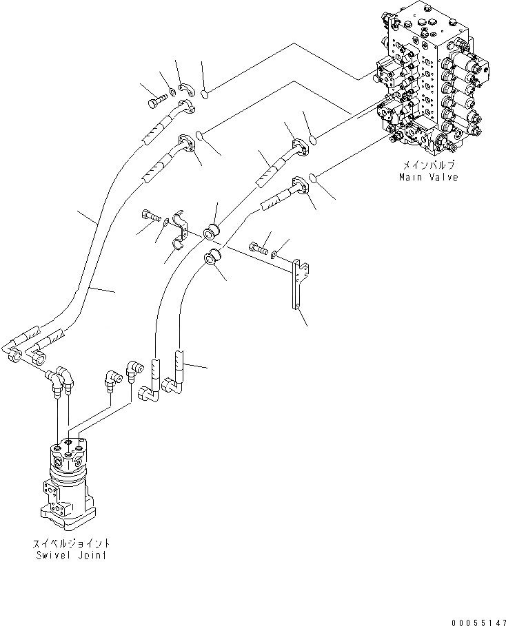
1
2
3
4
5
6
7
8
9
9
9
9
10
11
12
13
14
14
15
16
17
18
FIT
1:1
100%

Артикул

Название

Примечание

Количество

1

20Y-62-51212

HOSE

2

07000-13032

O-RING

3

20Y-62-41213

HOSE

4

07000-13032

O-RING

5

20Y-62-51222

HOSE

6

07000-13032

O-RING

7

20Y-62-51151

HOSE

8

07000-13032

O-RING

9

07371-31049

FLANGE

10

07372-21035

BOLT

11

01643-51032

WASHER

12

20Y-62-41292

BRACKET

13

206-62-71141

CLAMP

14

07095-00628

CUSHION

15

01010-81030

BOLT

16

01643-31032

WASHER

17

01010-81030

BOLT

18

01643-31032

WASHER

Выбрано товаров: 18