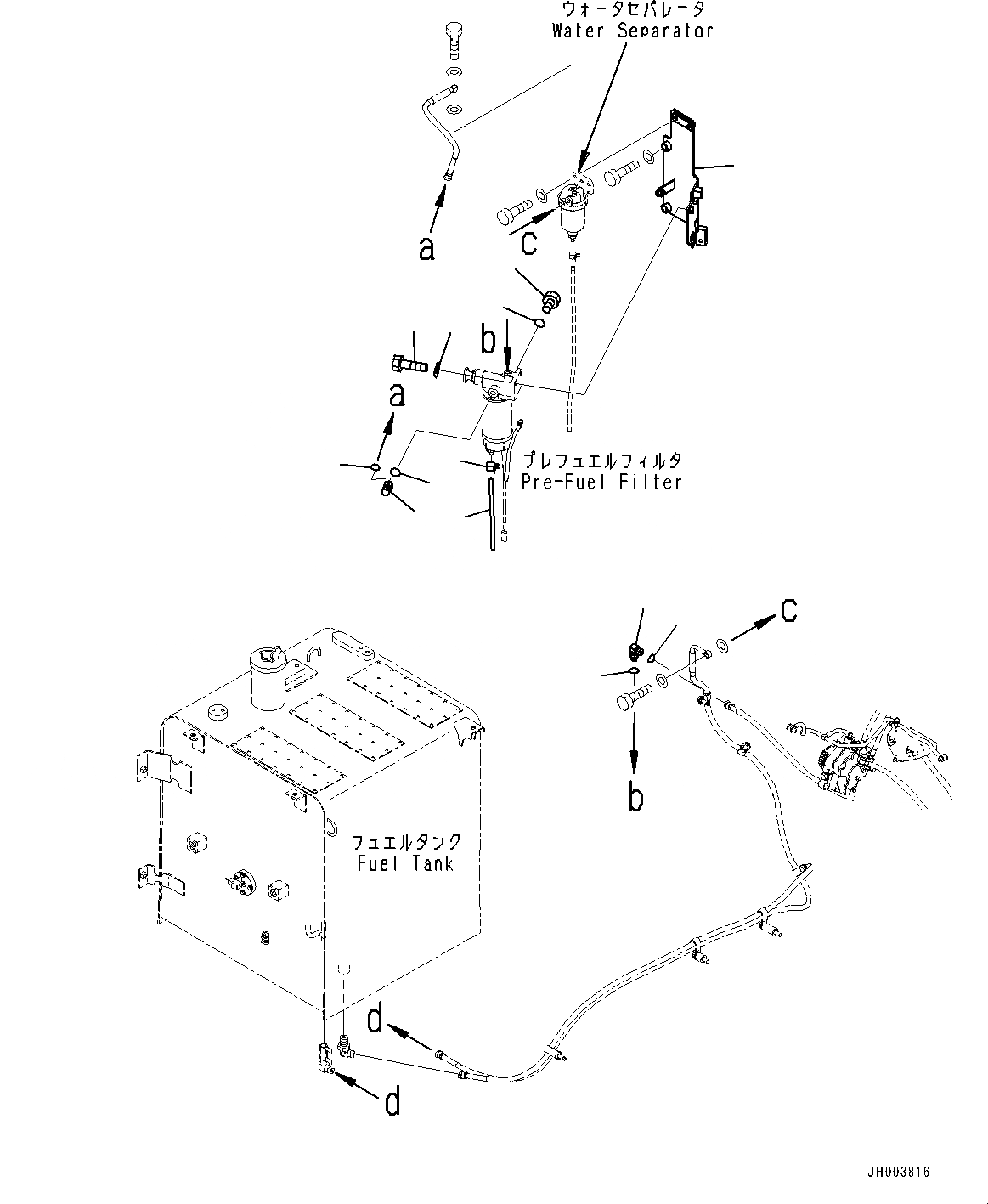
Запчасти Komatsu PC200-8 ТОПЛИВН. ПОДАЮЩ. ТРУБЫ, ТОПЛИВН. ФИЛЬТР. (№-) ТОПЛИВН. ПОДАЮЩ. ТРУБЫ, BAD ТОПЛИВН. И ПЛОХ. ТОПЛИВО СПЕЦ-ЯIFICATION, ВОДН.+DUST

Схема запчастей Komatsu PC200-8 - ТОПЛИВН. ПОДАЮЩ. ТРУБЫ, ТОПЛИВН. ФИЛЬТР. (№-) ТОПЛИВН. ПОДАЮЩ. ТРУБЫ, BAD ТОПЛИВН. И ПЛОХ. ТОПЛИВО СПЕЦ-ЯIFICATION, ВОДН.+DUST
7
9
6
10
4
3
2
1
5
8
7
6
5
FIT
1:1
100%

Артикул

Название

Примечание

Количество

1

07372-21235

Bolt

2

01643-51232

Washer

3

07270-00827

Tube

4

07285-00100

Clip

5

02782-10311

Elbow

6

02896-11009

O-ring

7

07002-11423

O-ring

8

07040-11409

Plug

9

07002-11423

O-ring

10

20Y-04-41481

Bracket

Выбрано товаров: 10