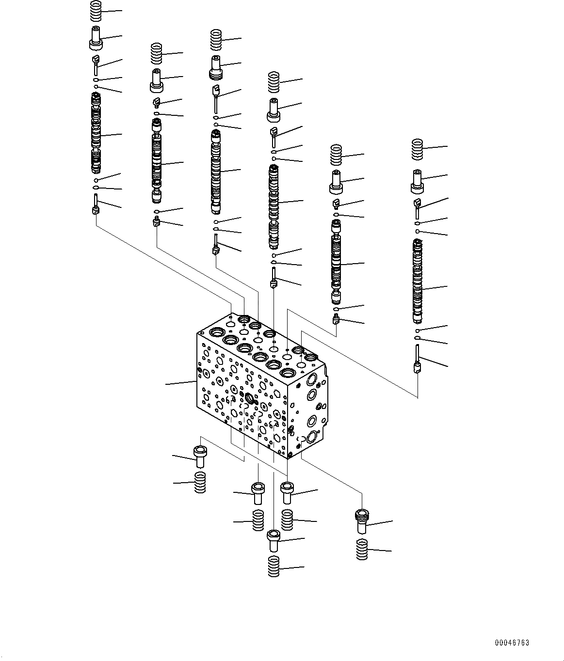
Запчасти Komatsu PC200-8 УПРАВЛЯЮЩ. КЛАПАН, ВНУТР. ЧАСТИ (/7) (№-) УПРАВЛЯЮЩ. КЛАПАН

Схема запчастей Komatsu PC200-8 - УПРАВЛЯЮЩ. КЛАПАН, ВНУТР. ЧАСТИ (/7) (№-) УПРАВЛЯЮЩ. КЛАПАН
7
9
10
11
14
18
11
10
10
3
8
8
13
16
10
10
7
8
10
11
15
14
16
17
19
13
12
19
16
13
12
11
10
8
7
6
5
4
3
2
1
10
11
16
11
16
10
7
10
9
7
7
10
11
12
16
11
10
12
16
15
FIT
1:1
100%

Артикул

Название

Примечание

Количество

|$0

723-46-23103

Valve Assembly

|$1

Body Subassembly

1

Block, Valve

2

Spool

3

Spool

4

Spool

5

Spool

6

Spool

7

723-46-15130

Plug

8

723-46-15140

Plug

9

723-46-15650

Plug

10

07002-10823

O-ring

11

708-7T-16460

Ball

12

723-46-15120

Retainer

13

723-46-15690

Retainer

14

723-46-15950

Retainer

15

723-46-15880

Retainer

16

723-46-14110

Spring

17

723-46-14280

Spring

18

723-46-14290

Spring

19

723-46-14131

Spring

Выбрано товаров: 21