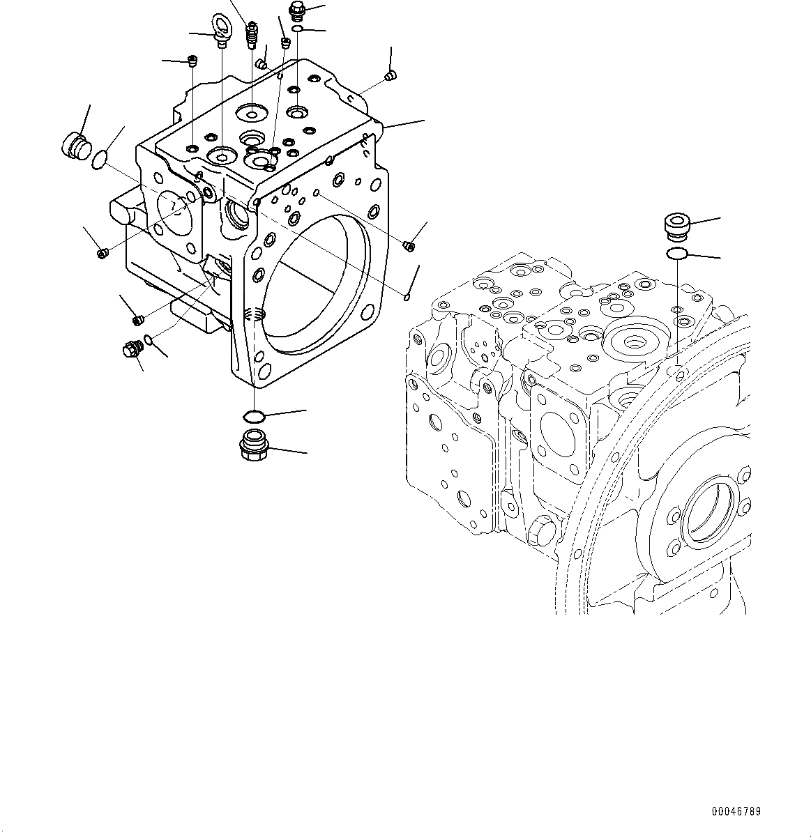
Запчасти Komatsu PC200-8 ПОРШЕНЬ НАСОС, ВНУТР. ЧАСТИ (/) (№-7) ПОРШЕНЬ НАСОС

Схема запчастей Komatsu PC200-8 - ПОРШЕНЬ НАСОС, ВНУТР. ЧАСТИ (/) (№-7) ПОРШЕНЬ НАСОС
2
2
2
2
6
3
7
5
4
9
8
1
9
8
2
2
2
11
10
11
10
FIT
1:1
100%

Артикул

Название

Примечание

Количество

|$0

708-2L-00500

Pump Assembly

|$1

708-2L-01500

Pump Subassembly

|$2

708-2L-06460

Case Assembly,Rear

1

Case,Rear

2

Plug

3

07000-B1009

O-ring

4

07044-12412

Plug

5

07002-62434

O-ring

6

04530-11222

Bolt, Eye

7

20B-27-11210

Bleeder

8

708-8E-16150

Plug

9

07002-61023

O-ring

10

07040-12414

Plug

11

07002-62434

O-ring

Выбрано товаров: 0