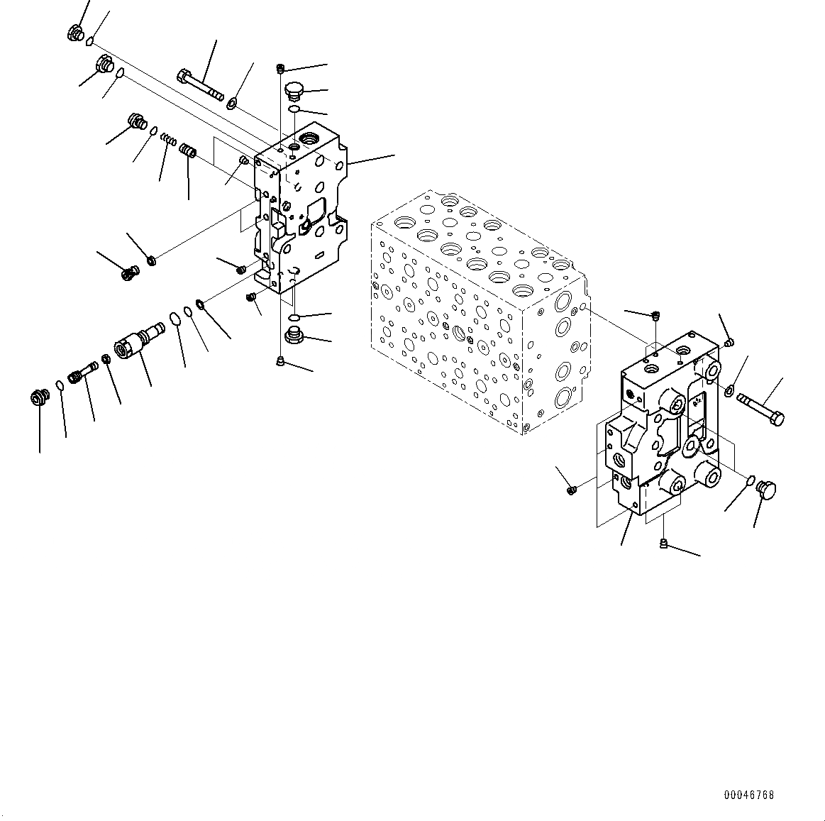
Запчасти Komatsu PC200-8 УПРАВЛЯЮЩ. КЛАПАН, ВНУТР. ЧАСТИ (7/7) (№-) УПРАВЛЯЮЩ. КЛАПАН

Схема запчастей Komatsu PC200-8 - УПРАВЛЯЮЩ. КЛАПАН, ВНУТР. ЧАСТИ (7/7) (№-) УПРАВЛЯЮЩ. КЛАПАН
1
2
3
4
5
6
7
8
9
10
11
12
13
14
15
16
17
19
18
20
21
22
23
24
25
26
6
5
7
7
2
6
6
7
25
2
2
5
5
FIT
1:1
100%

Артикул

Название

Примечание

Количество

|$0

723-46-23103

Valve Assembly

|$1

723-46-00750

Cover Assembly

1

Cover

2

Plug

3

Plug

3

723-46-00790

Cover Assembly

4

Cover

5

Plug

6

708-8E-16250

Plug

7

07002-11823

O-ring

8

708-8H-11530

Plug

9

07002-11423

O-ring

9

723-46-17600

Plug Assembly

10

723-46-17610

Sleeve

11

723-46-17640

Plug

12

702-21-55760

Filter

13

07002-11423

O-ring

14

07000-11007

O-ring

15

07001-01007

Ring, Back-up

16

708-8E-16160

Plug

17

07002-11023

O-ring

18

723-40-82220

Filter

19

723-46-17550

Plug

20

723-46-15190

Valve

21

723-46-14140

Spring

22

708-8E-16160

Plug

23

07002-11023

O-ring

24

01010-61490

Bolt

25

01643-31445

Washer, Flat

26

01010-61490

Bolt

Выбрано товаров: 30