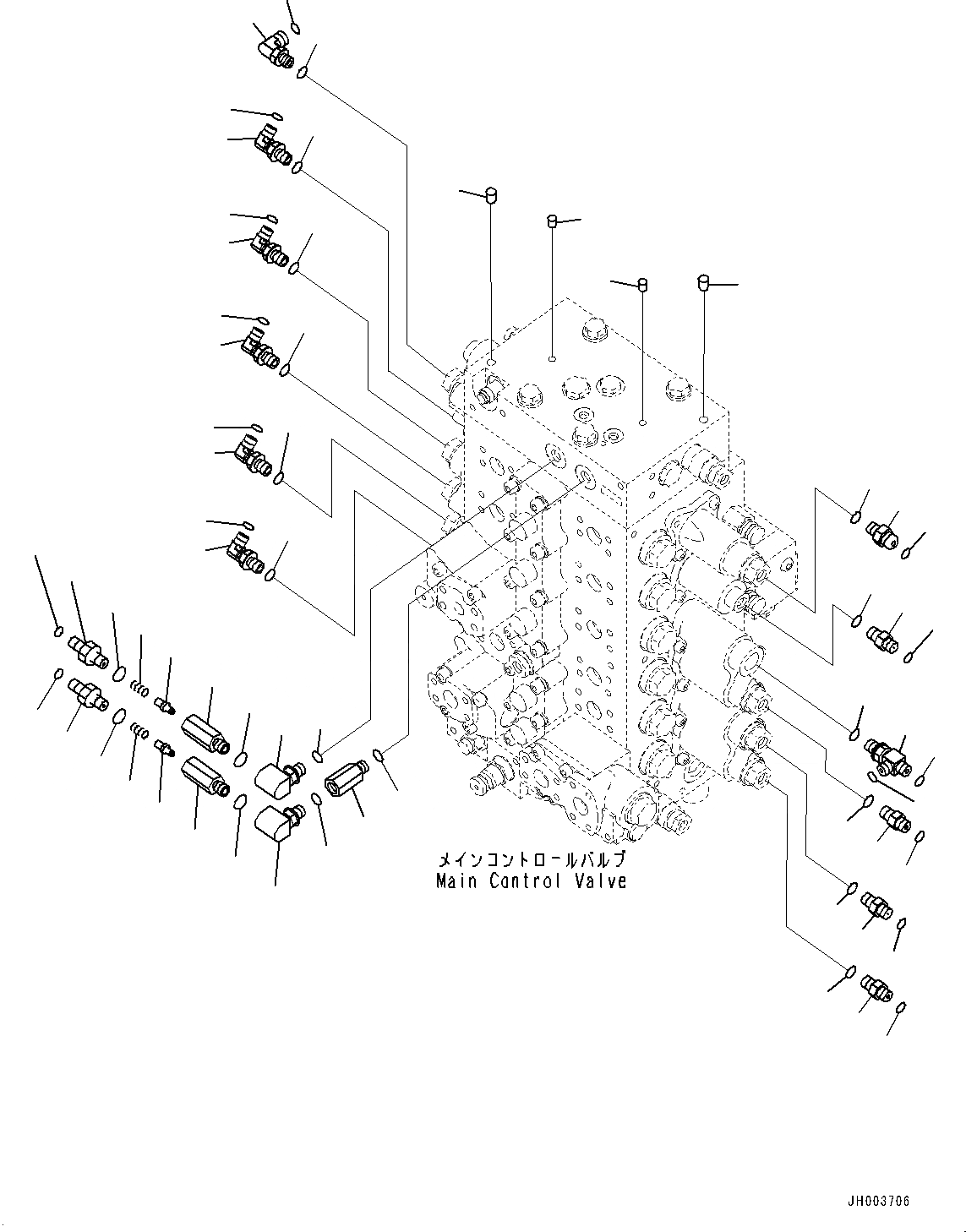
Запчасти Komatsu PC200-8 УПРАВЛЯЮЩ. КЛАПАН, СОЕДИНИТЕЛЬН. ЧАСТИ (/) (№-) УПРАВЛЯЮЩ. КЛАПАН

Схема запчастей Komatsu PC200-8 - УПРАВЛЯЮЩ. КЛАПАН, СОЕДИНИТЕЛЬН. ЧАСТИ (/) (№-) УПРАВЛЯЮЩ. КЛАПАН
5
14
13
17
17
6
17
13
14
15
16
17
6
5
17
17
12
11
12
1
2
1
2
17
9
10
17
3
4
17
7
8
17
3
4
8
7
17
17
7
8
20
19
20
18
19
20
27
26
25
24
23
22
21
27
26
25
24
23
22
21
FIT
1:1
100%

Артикул

Название

Примечание

Количество

1

07049-01012

Plug

2

07049-01215

Plug

3

20Y-62-45620

Elbow

4

02896-11008

O-ring

5

20Y-62-45610

Nipple

6

02896-11008

O-ring

7

11Y-62-12160

Elbow

8

02896-11008

O-ring

9

02782-10311

Elbow

10

02896-11009

O-ring

11

11Y-62-12330

Tee

12

02896-11008

O-ring

13

11Y-62-12130

Nipple

14

02896-11008

O-ring

15

11Y-62-12520

Union

16

02896-11009

O-ring

17

07002-11423

O-ring

18

20Y-62-22160

Adapter

19

20F-61-12460

Elbow

20

07002-11423

O-ring

20

20Y-62-41602

Valve Assembly

21

Body

22

20Y-60-22270

Poppet

23

20Y-62-41971

Nipple

24

701-20-61230

Spring

25

07002-11423

O-ring

26

02896-11008

O-ring

27

07002-11423

O-ring

Выбрано товаров: 28