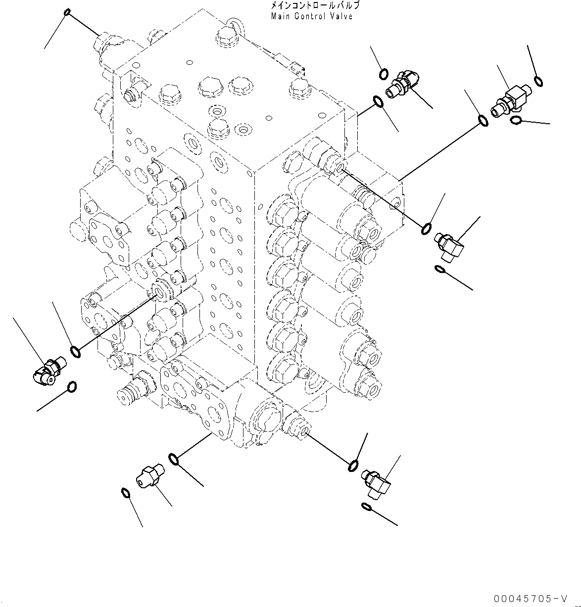
Запчасти Komatsu PC200-8 УПРАВЛЯЮЩ. КЛАПАН, СОЕДИНИТЕЛЬН. ЧАСТИ (/) (№-) УПРАВЛЯЮЩ. КЛАПАН

Схема запчастей Komatsu PC200-8 - УПРАВЛЯЮЩ. КЛАПАН, СОЕДИНИТЕЛЬН. ЧАСТИ (/) (№-) УПРАВЛЯЮЩ. КЛАПАН
14
13
12
12
11
10
9
8
7
6
5
3
2
1
3
2
1
16
15
4
FIT
1:1
100%

Артикул

Название

Примечание

Количество

1

20Y-62-41920

Elbow

2

02896-11008

O-ring

3

07002-11223

O-ring

4

02896-11008

O-ring

5

11Y-62-12160

Elbow

6

02896-11008

O-ring

7

07002-11423

O-ring

8

11Y-62-12160

Elbow

9

02896-11008

O-ring

10

07002-11423

O-ring

11

11Y-62-12330

Tee

12

02896-11008

O-ring

13

07002-11423

O-ring

14

11Y-62-12520

Union

15

02896-11009

O-ring

16

07002-11423

O-ring

Выбрано товаров: 16