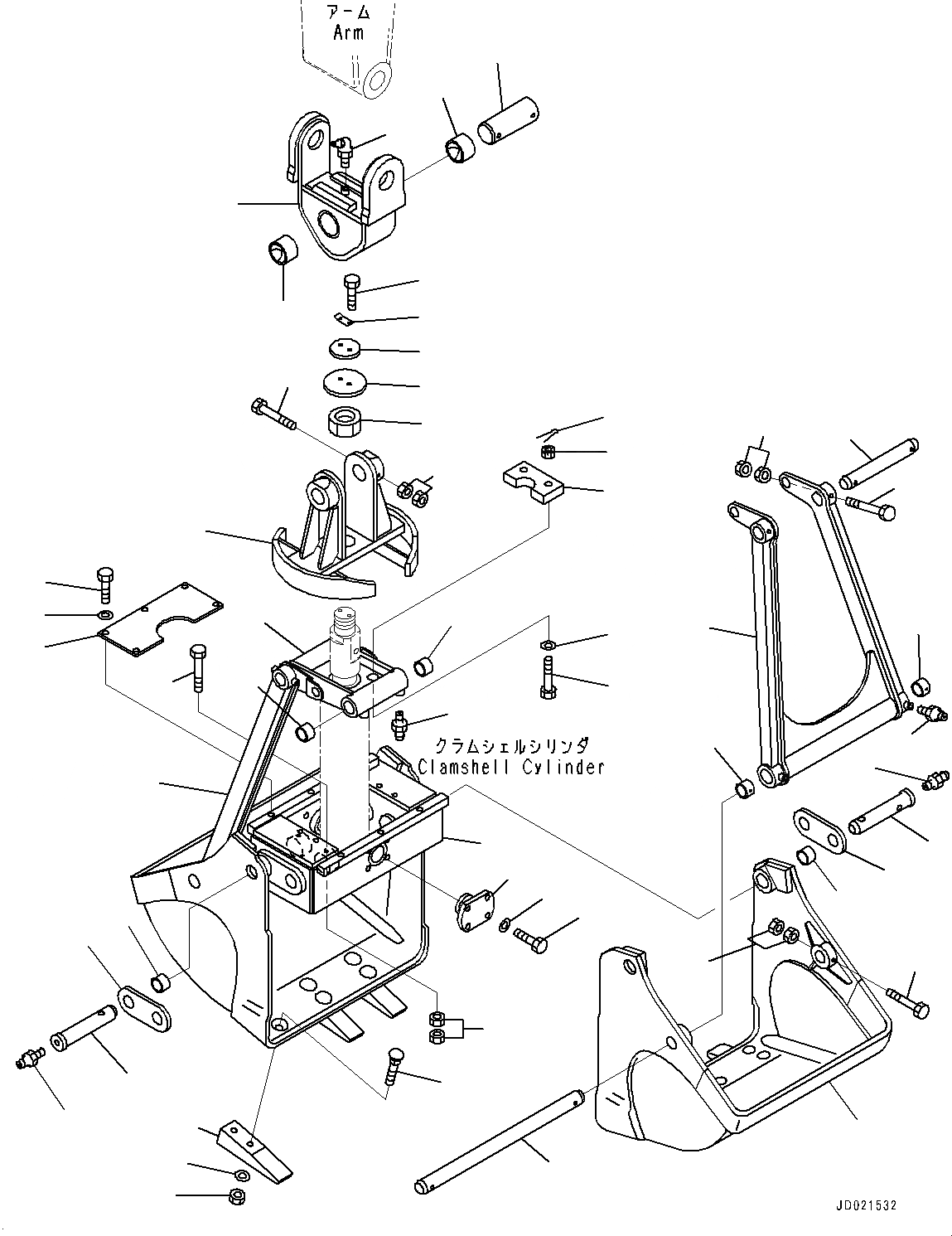
Запчасти Komatsu PC200-8 ГРЕЙФЕРН. КОВШ(№-) ГРЕЙФЕРН. КОВШ, ГРЕЙФЕРН., .M

Схема запчастей Komatsu PC200-8 - ГРЕЙФЕРН. КОВШ(№-) ГРЕЙФЕРН. КОВШ, ГРЕЙФЕРН., .M
39
41
40
42
40
35
36
37
38
9
43
33
32
29
44
34
23
24
25
30
31
3
10
12
11
17
24
7
14
15
13
6
5
4
2
47
48
45
46
8
20
1
21
2
4
5
6
22
18
16
19
18
26
28
27
FIT
1:1
100%

Артикул

Название

Примечание

Количество

1

205-931-1161

Shell

2

07143-10505

Bushing

3

205-931-1230

Frame

4

205-931-1240

Plate

5

205-931-1250

Pin

6

07020-00000

Fitting, Grease

7

01011-81610

Bolt

8

01580-11613

Nut

9

205-931-2140

Nut

10

205-931-1260

Cap

11

01010-81450

Bolt

12

01643-31445

Washer, Flat

13

205-931-1270

Cover

14

01010-81020

Bolt

15

01643-31032

Washer

16

205-931-1192

Arm

17

205-931-1212

Arm

18

07144-10505

Bushing

19

07020-00000

Fitting, Grease

20

205-931-1220

Pin

21

01011-81630

Bolt

22

01580-11613

Nut

23

205-931-1281

Frame

24

07144-10505

Bushing

25

07020-00000

Fitting, Grease

26

205-931-1290

Pin

27

01011-81610

Bolt

28

01580-11613

Nut

29

205-931-1310

Plate

30

01013-83010

Bolt

31

01643-33080

Washer

32

01590-33033

Nut, Slotted

33

04050-16055

Pin, Cotter

34

205-931-1122

Hanger

35

01010-81230

Bolt

36

04081-06012

Lock

37

205-931-1330

Holder

38

205-931-1320

Plate

39

205-931-6110

Bracket

40

205-931-6150

Bushing

41

07020-00675

Fitting, Grease

42

205-931-1130

Pin

43

01011-81650

Bolt

44

01580-11613

Nut

45

202-931-1180

Tooth

46

02090-11285

Bolt

47

02290-11219

Nut

48

01643-32060

Washer

Выбрано товаров: 48