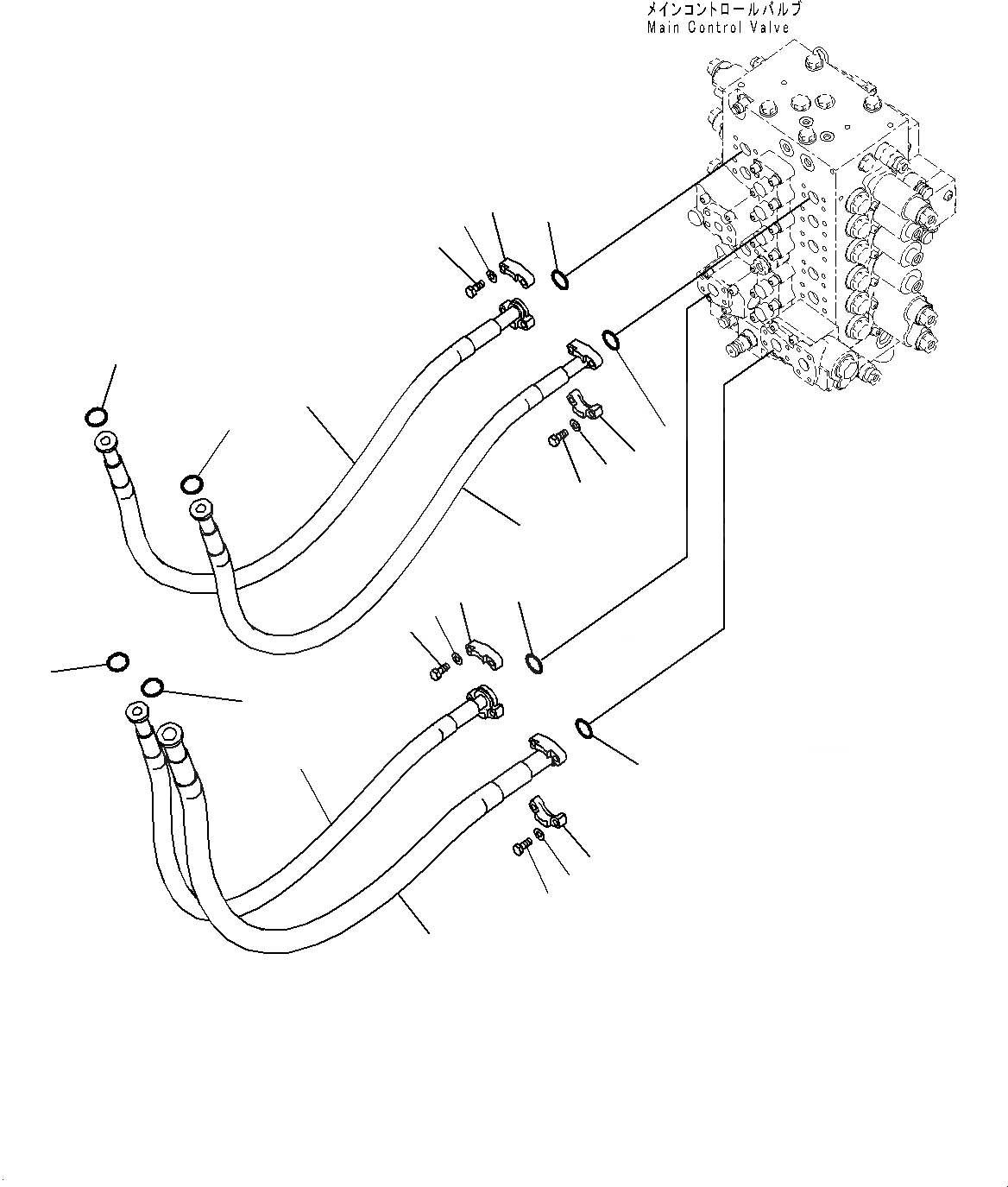
Запчасти Komatsu PC200-8 РУКОЯТЬ И КОВШ ТРУБЫ (№-) РУКОЯТЬ И КОВШ ТРУБЫ, С РУКОЯТЬ HOLDING КЛАПАН

Схема запчастей Komatsu PC200-8 - РУКОЯТЬ И КОВШ ТРУБЫ (№-) РУКОЯТЬ И КОВШ ТРУБЫ, С РУКОЯТЬ HOLDING КЛАПАН
1
3
5
4
6
9
11
10
12
14
16
15
17
19
21
20
13
18
7
2
13
8
2
18
FIT
1:1
100%

Артикул

Название

Примечание

Количество

1

20Y-62-51240

Hose

2

07000-13032

O-ring

3

07371-31049

Flange, Split

4

07372-21035

Bolt

5

01643-51032

Washer

6

20Y-62-41860

Hose

7

07000-13025

O-ring

8

07000-13032

O-ring

9

07371-31049

Flange, Split

10

07372-21035

Bolt

11

01643-51032

Washer

12

20Y-62-41181

Hose

13

07000-13025

O-ring

14

07371-30640

Flange, Split

15

07372-21035

Bolt

16

01643-51032

Washer

17

20Y-62-41181

Hose

18

07000-13025

O-ring

19

07371-30640

Flange, Split

20

07372-21035

Bolt

21

01643-51032

Washer

Выбрано товаров: 21