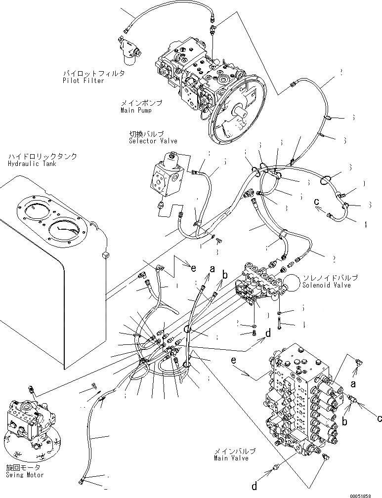
Запчасти Komatsu PC200-8 СОЛЕНОИДНЫЙ КЛАПАН КОНТУР (СОЛЕНОИДНЫЙ КЛАПАН) (ДЛЯ -АКТУАТОР) ГИДРАВЛИКА

Схема запчастей Komatsu PC200-8 - СОЛЕНОИДНЫЙ КЛАПАН КОНТУР (СОЛЕНОИДНЫЙ КЛАПАН) (ДЛЯ -АКТУАТОР) ГИДРАВЛИКА
1
1
2
2
3
3
4
4
5
5
6
7
7
8
8
9
9
10
10
11
11
12
12
13
13
14
15
16
16
16
16
16
16
16
16
16
16
16
16
16
17
18
19
20
21
22
23
23
24
24
25
25
26
27
28
29
30
31
FIT
1:1
100%

Артикул

Название

Примечание

Количество

1

208-62-72310

HOSE¤ 950MM

2

20Y-62-22790

BAND¤ RED

3

20Y-62-22810

BAND¤ YELLOW

4

20Y-62-51930

HOSE¤ 650MM

5

20Y-62-51940

HOSE¤ 1350MM

6

20Y-62-51993

HOSE¤ 600MM

7

20Y-62-51910

HOSE¤ 400MM

8

20Y-62-51260

HOSE¤ 1200MM

9

20Y-62-22860

BAND¤ BROWN

10

20Y-62-51960

HOSE¤ 700MM

11

20Y-62-22810

BAND¤ YELLOW

12

20Y-62-52121

HOSE¤ 1800MM

13

208-62-72480

HOSE¤ 1080MM

14

01010-81085

BOLT

15

01643-31032

WASHER

16

08034-20536

BAND

17

04434-51010

CLIP

18

01010-81020

BOLT

19

01643-31032

WASHER

20

04434-51512

CLIP

21

01010-81225

BOLT

22

01643-31232

WASHER

23

20Y-62-22820

BAND¤ BLUE

24

02760-00219

HOSE¤ 1900MM

25

02760-00218

HOSE

26

20Y-62-51930

HOSE¤ 650MM

27

04434-51212

CLIP

28

01010-81225

BOLT

29

01643-31232

WASHER

30

04434-52212

CLIP

31

04434-51012

CLIP

Выбрано товаров: 31