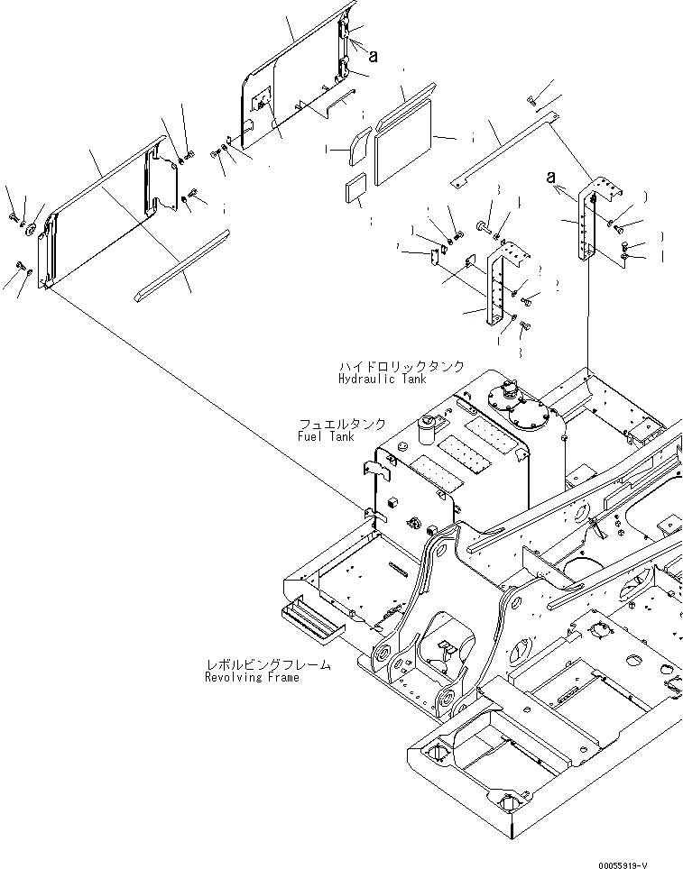
Запчасти Komatsu PC200-8 БОКОВ. КРЫШКА¤ ПРАВ.(№C-C) ЧАСТИ КОРПУСА

Схема запчастей Komatsu PC200-8 - БОКОВ. КРЫШКА¤ ПРАВ.(№C-C) ЧАСТИ КОРПУСА
1
2
3
4
5
6
7
7
8
9
10
11
12
13
14
15
16
17
18
19
20
21
22
23
24
25
26
27
28
29
30
31
32
33
34
35
35
35
35
36
36
36
36
FIT
1:1
100%

Артикул

Название

Примечание

Количество

1

20Y-54-71411

FRAME

2

20Y-54-71421

FRAME

3

20Y-54-71431

PLATE

4

01010-81225

BOLT

5

01643-31232

WASHER

6

20Y-54-71453

COVER

7

20Y-54-63414

HINGE (WELDED)

8

198-54-41982

LOCK ASS'Y

9

01010-81225

BOLT

10

01643-31232

WASHER

11

20Y-54-61470

PLATE

12

01010-81225

BOLT

13

01643-31232

WASHER

14

205-54-53550

DOVE TAIL

15

01010-80612

BOLT

16

01643-30623

WASHER

17

20Y-54-28170

BRACKET

18

01010-81225

BOLT

19

01643-31232

WASHER

20

205-54-51970

DOVE TAIL

21

01010-80616

BOLT

22

01643-30623

WASHER

23

20Y-54-11611

STOPPER

24

01580-11008

NUT

25

20Y-54-71440

SHEET

26

20Y-54-29232

BAR

27

20Y-54-72690

SHEET

28

20Y-54-72720

SHEET

29

20Y-54-72710

SHEET

30

01010-81230

BOLT

31

01643-31232

WASHER

32

20Y-54-71152

COVER

32

COVER

33

20Y-54-61391

SHEET

34

208-54-57180

COLLAR

35

01010-81230

BOLT

36

01643-31232

WASHER

Выбрано товаров: 37