Запчасти Komatsu PC200-8 КОНДИЦ. ВОЗДУХА КАБИНА ОПЕРАТОРА И СИСТЕМА УПРАВЛЕНИЯ

Схема запчастей Komatsu PC200-8 - КОНДИЦ. ВОЗДУХА КАБИНА ОПЕРАТОРА И СИСТЕМА УПРАВЛЕНИЯ
1
2
3
4
5
6
7
8
9
10
11
12
12
13
14
15
16
17
18
19
20
21
21
21
21
21
21
22
22
22
22
22
23
23
23
24
25
25
25
26
26
26
27
28
29
30
31
32
33
33
33
34
35
35
36
37
38
39
40
40
41
41
41
41
41
41
41
42
42
42
43
43
43
44
44
45
45
46
46
47
48
49
50
50
51
52
FIT
1:1
100%

Артикул

Название

Примечание

Количество

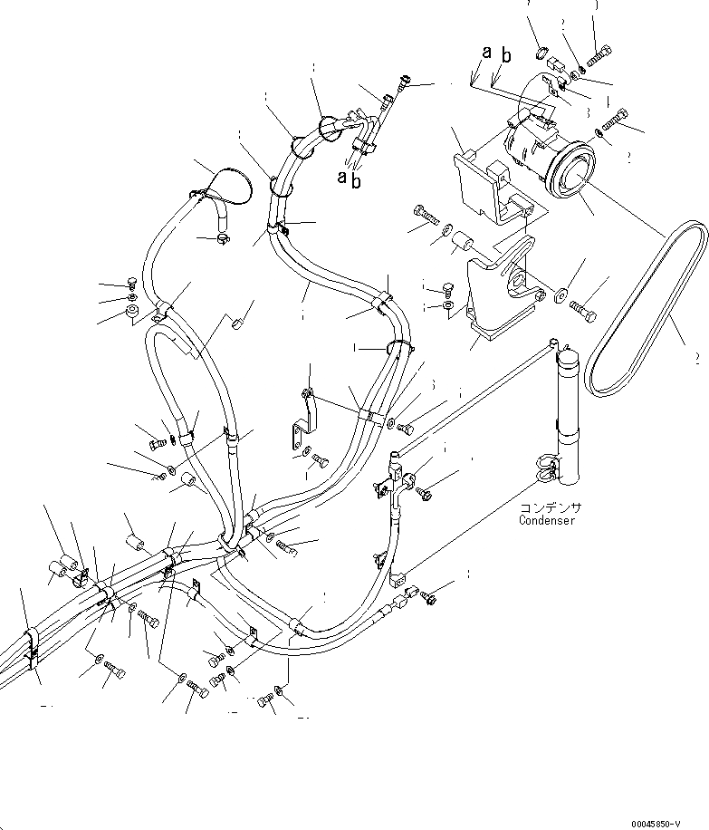
1

20Y-810-1260

COMPRESSOR ASS'Y

2

20Y-810-1112

BRACKET

3

20Y-979-6612

BRACKET

4

01010-81440

BOLT

5

195-71-32220

WASHER

6

20Y-810-1190

BOLT

7

20Y-810-1180

SPACER

8

01643-31445

WASHER

9

01010-80875

BOLT

10

01010-80885

BOLT

11

22N-957-1420

COLLAR

12

01643-30823

WASHER

13

08053-01510

CLIP

14

04434-50508

CLIP

15

01010-81035

BOLT

16

01643-31032

WASHER

17

08034-20519

BAND

18

20Y-810-1130

BRACKET

19

01010-81225

BOLT

20

01643-31232

WASHER

21

04434-52112

CLIP

22

04434-51912

CLIP

23

04434-51512

CLIP

24

20Y-810-1170

CLIP

25

01010-81225

BOLT

26

01643-31232

WASHER

27

195-33-11220

SPACER

28

01010-81250

BOLT

29

01643-31232

WASHER

30

20Y-03-11220

COLLAR

31

01010-81260

BOLT

32

01643-31232

WASHER

33

08034-20519

BAND

34

01435-00630

BOLT

35

20Y-810-1141

HOSE

36

01435-00630

BOLT

37

01435-00625

BOLT

38

01435-00625

BOLT

39

08034-20519

BAND

40

11Y-09-11160

CLIP

41

04434-52112

CLIP

42

01010-81225

BOLT

43

01643-31232

WASHER

44

01010-81260

BOLT

45

01643-31232

WASHER

46

20Y-03-11220

COLLAR

47

01010-81240

BOLT

48

01643-31232

WASHER

49

131-43-41631

SPACER

50

04435-52112

CLIP

51

134-03-61410

BAND

52

04120-21747

V-BELT

Выбрано товаров: 52