Запчасти Komatsu PC200-8 КАБИНА (ПОЛ) (P.P.C.ТРУБЫ ДЛЯ ХОД КЛАПАН) (KAL СПЕЦ-Я.)(№C-) КАБИНА ОПЕРАТОРА И СИСТЕМА УПРАВЛЕНИЯ

Схема запчастей Komatsu PC200-8 - КАБИНА (ПОЛ) (P.P.C.ТРУБЫ ДЛЯ ХОД КЛАПАН) (KAL СПЕЦ-Я.)(№C-) КАБИНА ОПЕРАТОРА И СИСТЕМА УПРАВЛЕНИЯ
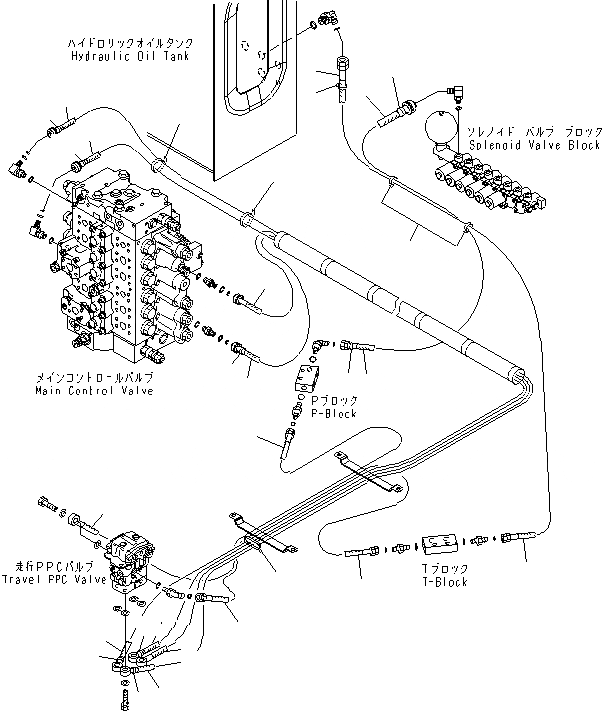
1
1
2
2
3
3
4
4
5
5
6
6
7
7
8
8
9
9
10
10
11
11
12
12
13
13
14
15
15
FIT
1:1
100%

Артикул

Название

Примечание

Количество

1

20Y-62-52210

HOSE¤ 1800MM

2

20Y-62-52220

HOSE¤ 3200MM

3

20Y-62-22790

BAND¤ RED

4

08034-20823

BAND

5

208-62-72290

HOSE¤ 950MM

6

208-62-72310

HOSE¤ 950MM

7

20Y-62-52230

HOSE¤ 3100MM

8

20Y-62-52240

HOSE¤ 2950MM

9

20Y-62-52250

HOSE¤ 4250MM

10

20Y-62-52260

HOSE¤ 4100MM

11

20Y-62-22790

BAND¤ RED

12

20Y-62-22820

BAND¤ BLUE

13

20Y-62-22850

BAND¤ GREEN

14

08034-20536

BAND

14

08034-00536

BAND

15

08034-20823

BAND

Выбрано товаров: 0