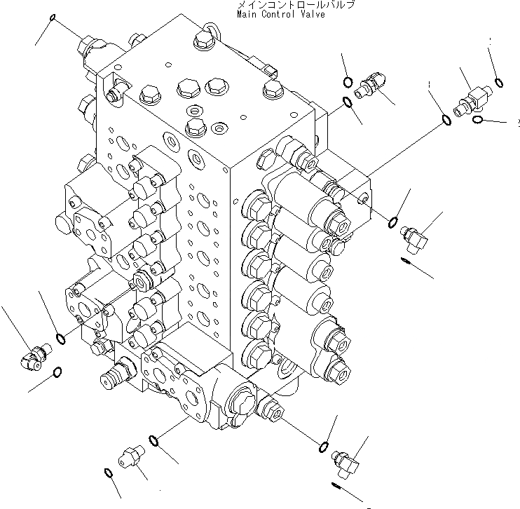
Запчасти Komatsu PC200-8 ОСНОВН. УПРАВЛЯЮЩ. КЛАПАН (СОЕДИНИТЕЛЬН. ЧАСТИ) (/) ГИДРАВЛИКА

Схема запчастей Komatsu PC200-8 - ОСНОВН. УПРАВЛЯЮЩ. КЛАПАН (СОЕДИНИТЕЛЬН. ЧАСТИ) (/) ГИДРАВЛИКА
1
1
2
2
3
3
4
5
6
7
8
9
10
11
12
12
13
14
15
16
FIT
1:1
100%

Артикул

Название

Примечание

Количество

1

20Y-62-41920

ELBOW

2

02896-11008

O-RING

3

07002-11223

O-RING

4

02896-11008

O-RING

5

11Y-62-12160

ELBOW

6

02896-11008

O-RING

7

07002-11423

O-RING

8

11Y-62-12160

ELBOW

9

02896-11008

O-RING

10

07002-11423

O-RING

11

11Y-62-12330

ELBOW

12

02896-11008

O-RING

13

07002-11423

O-RING

14

11Y-62-12520

NIPPLE

15

02896-11009

O-RING

16

07002-11423

O-RING

Выбрано товаров: 0