Запчасти Komatsu PC200-8 ЛИНИЯ ПОДАЧИ (ДЛЯ ТОПЛИВН. REFILL НАСОС) ГИДРАВЛИКА

Схема запчастей Komatsu PC200-8 - ЛИНИЯ ПОДАЧИ (ДЛЯ ТОПЛИВН. REFILL НАСОС) ГИДРАВЛИКА
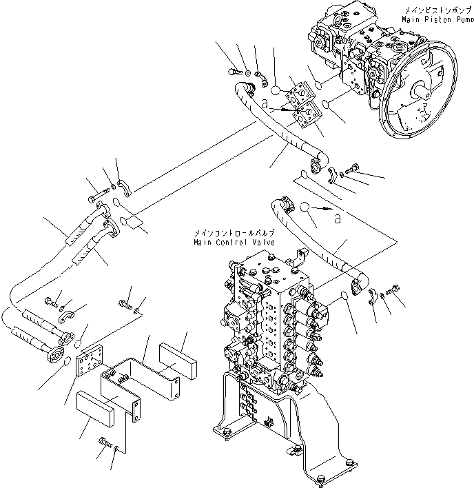
1
1
2
2
2
2
3
3
4
4
5
5
6
6
7
7
8
8
9
10
11
12
13
14
15
16
17
18
19
20
20
21
21
21
22
23
24
24
FIT
1:1
100%

Артикул

Название

Примечание

Количество

1

07084-01AA9

HOSE

2

07000-13032

O-RING

3

07371-31049

FLANGE

4

07372-21035

BOLT

5

01643-51032

WASHER

6

20Y-62-52411

BLOCK

7

07000-13032

O-RING

8

07371-31049

FLANGE

9

07372-21035

BOLT

10

01643-51032

WASHER

11

417-875-1670

BOLT

12

01643-51032

WASHER

13

206-62-21230

BRACKET

14

20Y-62-52421

BRACKET

15

01010-81245

BOLT

16

01643-31232

WASHER

17

07371-30640

FLANGE

18

07372-21035

BOLT

19

01643-51032

WASHER

20

20Y-62-52480

HOSE

21

07000-13032

O-RING

22

01010-81225

BOLT

23

01643-31232

WASHER

24

206-62-21250

SHEET

Выбрано товаров: 24