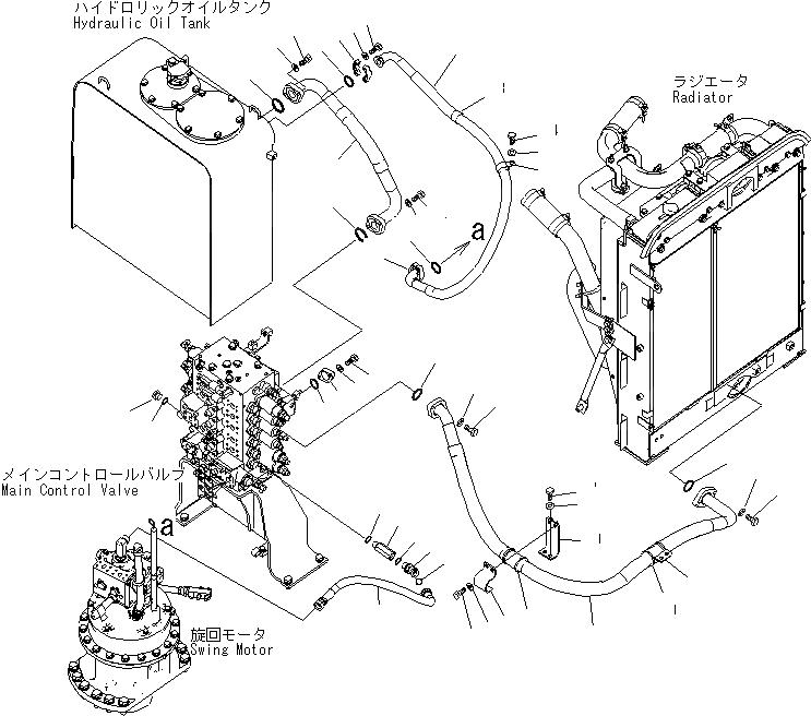
Запчасти Komatsu PC200-8 ВОЗВРАТ. ЛИНИЯ(№C-) ГИДРАВЛИКА
1
2
2
3
4
5
6
7
7
8
9
10
10
11
12
13
14
15
16
17
18
19
20
21
22
23
23
24
25
26
27
28
29
29
30
30
31
32
33
33
34
35
36
37
38
39
1
206-62-21181
HOSE
2
07000-13048
O-RING
3
01010-81240
BOLT
4
01643-31232
WASHER
5
01010-81240
BOLT
6
01643-31232
WASHER
7
22U-62-21551
CLAMP
8
01010-81225
BOLT
9
01643-31232
WASHER
10
07095-01245
CUSHION
11
203-62-61410
JOINT
12
07002-12434
O-RING
13
02783-10628
ELBOW
14
07002-12434
O-RING
15
02896-11018
O-RING
16
02753-00608
HOSE
17
07040-12412
PLUG
18
07002-12434
O-RING
19
20Y-62-51461
BRACKET
20
01010-81225
BOLT
21
01643-31232
WASHER
22
20Y-62-51251
HOSE
23
07000-13048
O-RING
24
01010-81240
BOLT
25
01643-31232
WASHER
26
01010-81235
BOLT
27
01643-31232
WASHER
28
20Y-62-51332
HOSE
29
07000-13032
O-RING
30
07371-31049
FLANGE
31
07372-21035
BOLT
32
01643-51032
WASHER
33
281-01-13180
CLIP
34
01010-81225
BOLT
35
01643-31232
WASHER
36
20Y-62-53160
FLANGE
37
07000-13040
O-RING
38
01010-81035
BOLT
39
01643-31032
WASHER
Выбрано товаров: 0