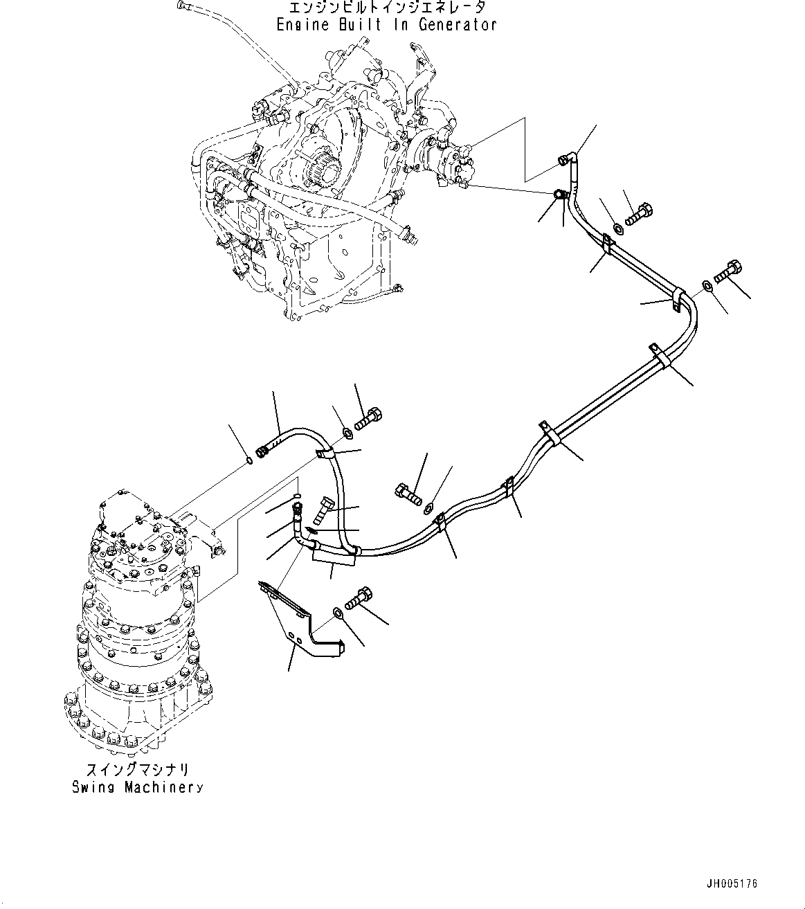
Запчасти Komatsu PC200-8E0 СМАЗЫВАЮЩ. ЛИНИЯ, (№7-) СМАЗЫВАЮЩ. ЛИНИЯ

Схема запчастей Komatsu PC200-8E0 - СМАЗЫВАЮЩ. ЛИНИЯ, (№7-) СМАЗЫВАЮЩ. ЛИНИЯ
1
2
3
6
8
11
12
13
14
15
17
18
6
5
5
6
6
7
10
9
1
2
16
13
14
15
3
4
4
FIT
1:1
100%

Артикул

Название

Примечание

Количество

1

205-62-31570

Hose Assembly

2

205-62-31580

Hose Assembly

3

20Y-62-22850

Band, Green

4

02896-11009

O-ring

5

04434-53212

Clip

6

04435-51812

Clip

7

01010-81225

Bolt

8

01643-31232

Washer

9

01010-81220

Bolt

10

01643-31232

Washer

11

01010-81240

Bolt

12

01643-31232

Washer

13

04434-51812

Clip

14

01010-81225

Bolt

15

01643-31232

Washer

16

205-62-31540

Bracket

17

01010-81225

Bolt

18

01643-31232

Washer

Выбрано товаров: 0