Запчасти Komatsu PC200-8E0 КАБИНА, КАБИНА IN ЧАСТИ, ВОЗДУХОВОД (№8-) КАБИНА, С COLOR MULTI МОНИТОР, POWER ПОДАЮЩ., VOLT, KOMTRAX, БЕЗ МАСТЕР КЛЮЧ

Схема запчастей Komatsu PC200-8E0 - КАБИНА, КАБИНА IN ЧАСТИ, ВОЗДУХОВОД (№8-) КАБИНА, С COLOR MULTI МОНИТОР, POWER ПОДАЮЩ., VOLT, KOMTRAX, БЕЗ МАСТЕР КЛЮЧ
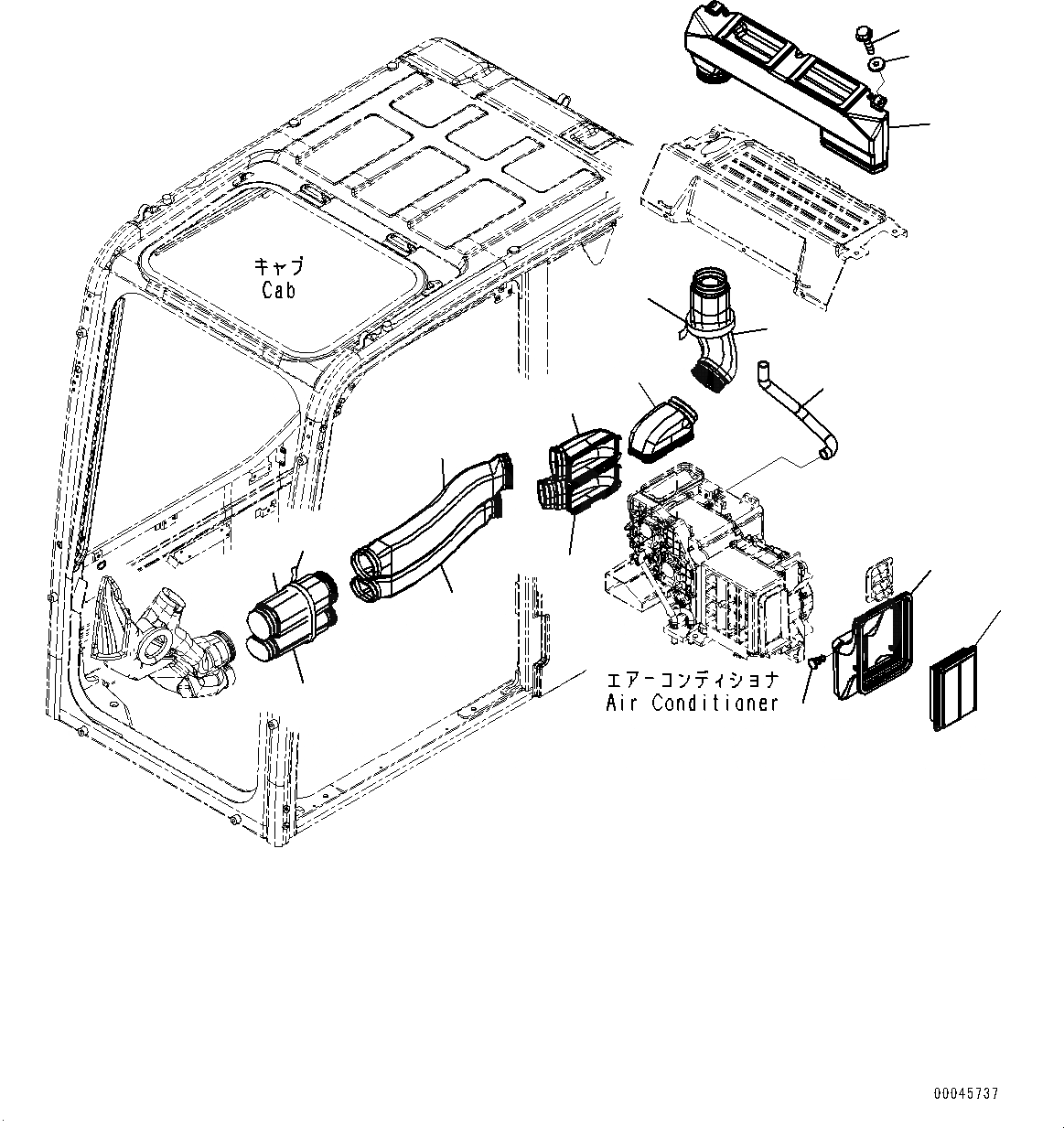
1
3
4
6
7
10
2
8
9
11
12
13
14
16
15
5
17
FIT
1:1
100%

Артикул

Название

Примечание

Количество

1

20Y-53-13311

Duct

2

20Y-53-13331

Duct

3

20Y-53-13351

Duct

4

20Y-53-13321

Duct

5

20Y-53-13341

Duct

6

20Y-53-13361

Duct

7

08034-20876

Band

8

20Y-53-12522

Duct

9

208-53-12680

Clip

10

17M-911-3530

Element

11

20Y-53-13451

Duct

12

01435-40616

Bolt

13

20Y-53-12310

Collar

14

20Y-53-13461

Duct

15

208-53-12120

Duct

16

208-53-12432

Hose

17

08034-20876

Band

Выбрано товаров: 0