Запчасти Komatsu PC200-8E0 ЭЛЕКТРИЧ. ПРОВОДКА, ДВИГАТЕЛЬ КОРПУС (№8-) ЭЛЕКТРИЧ. ПРОВОДКА

Схема запчастей Komatsu PC200-8E0 - ЭЛЕКТРИЧ. ПРОВОДКА, ДВИГАТЕЛЬ КОРПУС (№8-) ЭЛЕКТРИЧ. ПРОВОДКА
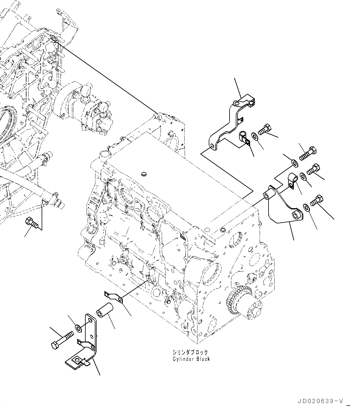
17
16
13
14
9
12
10
1
2
4
6
7
15
11
8
3
5
18
FIT
1:1
100%

Артикул

Название

Примечание

Количество

1

205-06-31181

Bracket

2

01010-81240

Bolt

3

01643-31232

Washer

4

01010-81260

Bolt

5

01643-31232

Washer

6

04434-51512

Clip

7

01010-81220

Bolt

8

01643-31232

Washer

9

205-06-31171

Bracket

10

01010-81225

Bolt

11

01643-31232

Washer

12

04434-51512

Clip

13

205-06-31221

Bracket

14

01010-81275

Bolt

15

01643-31232

Washer

16

154-979-1480

Collar

17

08193-21012

Clip

18

01010-81220

Bolt

Выбрано товаров: 18