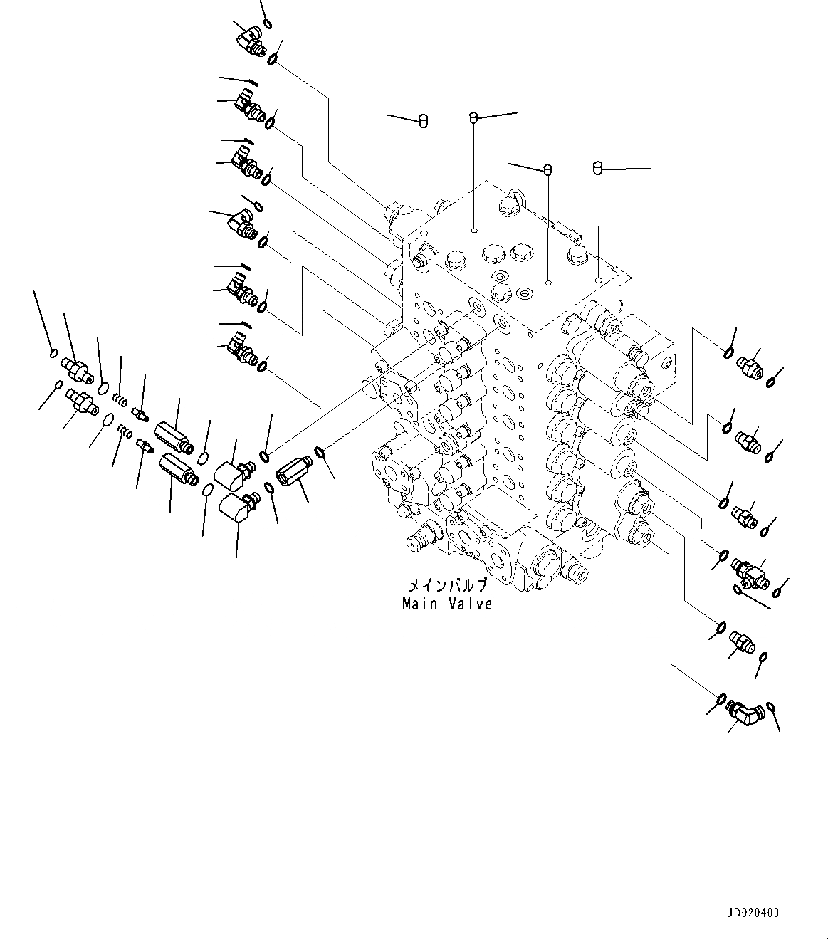
Запчасти Komatsu PC200-8E0 УПРАВЛЯЮЩ. КЛАПАН, СОЕДИНИТЕЛЬН. ЧАСТИ (/) (№8-) УПРАВЛЯЮЩ. КЛАПАН

Схема запчастей Komatsu PC200-8E0 - УПРАВЛЯЮЩ. КЛАПАН, СОЕДИНИТЕЛЬН. ЧАСТИ (/) (№8-) УПРАВЛЯЮЩ. КЛАПАН
6
5
23
23
22
21
23
23
16
15
20
19
23
23
17
18
5
6
23
7
8
23
3
4
23
9
10
23
14
13
23
3
4
23
11
12
26
25
26
24
25
26
1
2
1
2
27
28
29
30
31
32
33
27
28
29
30
31
32
33
20
FIT
1:1
100%

Артикул

Название

Примечание

Количество

1

07049-01012

Plug

2

07049-01215

Plug

3

20Y-62-45620

Elbow

4

02896-11008

O-ring

5

20Y-62-45610

Nipple

6

02896-11008

O-ring

7

02782-10311

Elbow

8

02896-11009

O-ring

9

11Y-62-12160

Elbow

10

02896-11008

O-ring

11

11Y-62-12160

Elbow

12

02896-11008

O-ring

13

02782-10311

Elbow

14

02896-11009

O-ring

15

02781-0021D

Union

16

02896-11008

O-ring

17

02782-10311

Elbow

18

02896-11009

O-ring

19

11Y-62-12330

Tee

20

02896-11008

O-ring

21

11Y-62-12520

Union

22

02896-11009

O-ring

23

07002-11423

O-ring

24

20Y-62-22160

Adapter

25

20F-61-12460

Elbow

26

07002-11423

O-ring

26

20Y-62-41602

Valve Assembly

27

Body

28

20Y-60-22270

Poppet

29

20Y-62-41971

Nipple

30

701-20-61230

Spring

31

07002-11423

O-ring

32

02896-11008

O-ring

33

07002-11423

O-ring

Выбрано товаров: 34