Запчасти Komatsu PC200-8M0 РУКОЯТЬ И КОВШ ТРУБЫ (№-) РУКОЯТЬ И КОВШ ТРУБЫ, РУКОЯТЬ ГИДРАВЛ DRIFT PREВЕНТИЛЯТОРION КЛАПАН

Схема запчастей Komatsu PC200-8M0 - РУКОЯТЬ И КОВШ ТРУБЫ (№-) РУКОЯТЬ И КОВШ ТРУБЫ, РУКОЯТЬ ГИДРАВЛ DRIFT PREВЕНТИЛЯТОРION КЛАПАН
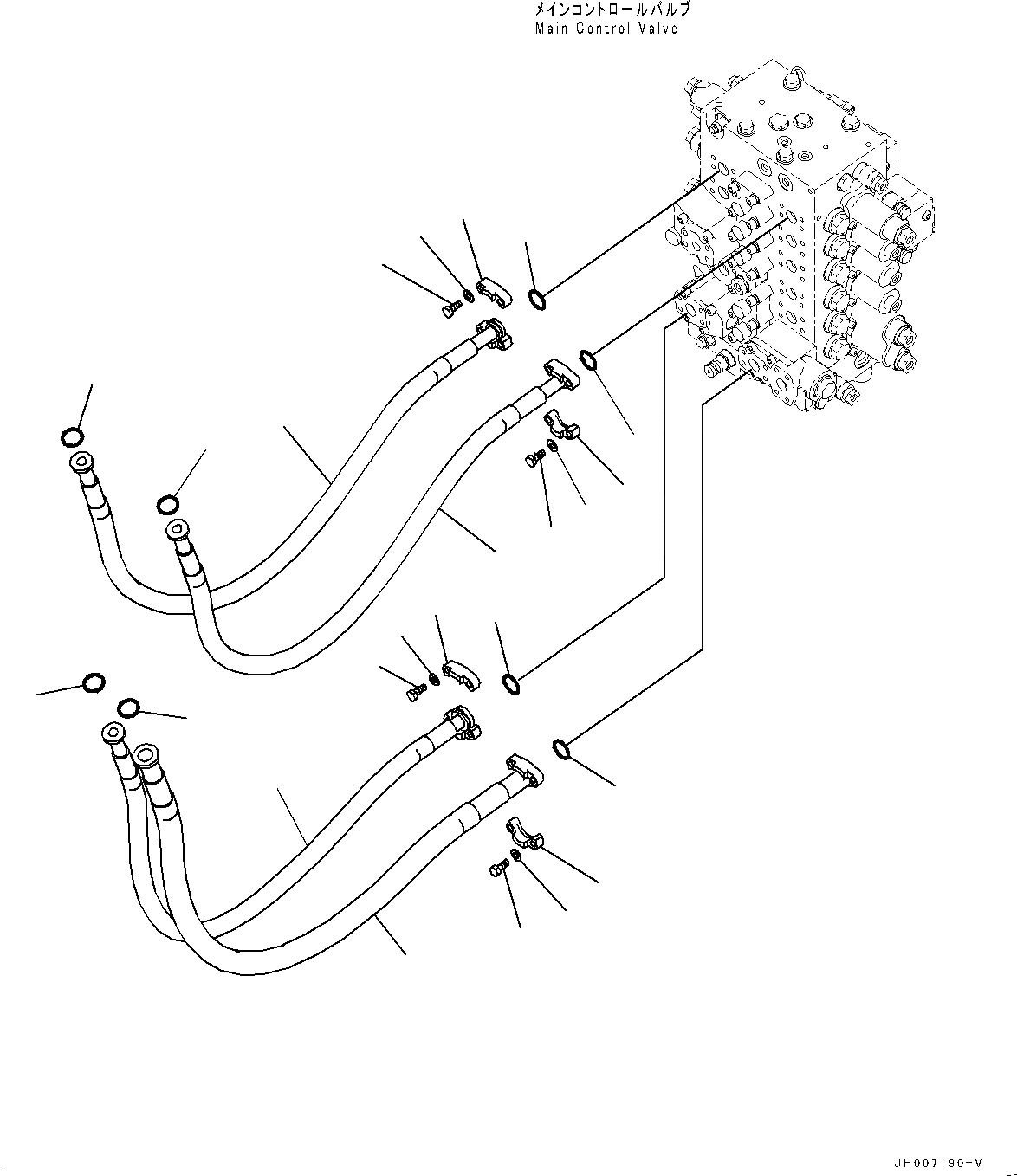
1
3
5
4
6
9
11
10
17
20
22
21
12
14
16
15
18
13
7
2
19
8
2
13
FIT
1:1
100%

Артикул

Название

Примечание

Количество

1

2A5-62-12791

Hose

2

07000-13032

O-ring

3

07371-31049

Flange, Split

4

07372-21035

Bolt

5

01643-51032

Washer

6

20Y-62-41860

Hose

7

07000-13025

O-ring

8

07000-13032

O-ring

9

07371-31049

Flange, Split

10

07372-21035

Bolt

11

01643-51032

Washer

12

2A5-62-12821

Hose

13

07000-13032

O-ring

14

07371-31049

Flange, Split

15

07372-21035

Bolt

16

01643-51032

Washer

17

20Y-62-54351

Hose

18

07000-13025

O-ring

19

07000-13032

O-ring

20

07371-31049

Flange, Split

21

07372-21035

Bolt

22

01643-51032

Washer

Выбрано товаров: 22