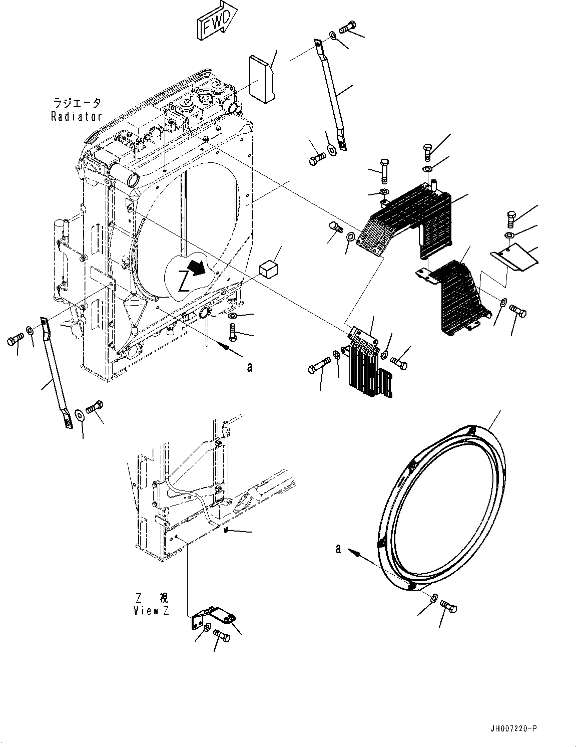
Запчасти Komatsu PC200-8M0 СИСТЕМА ОХЛАЖДЕНИЯ, ЗАЩИТА ВЕНТИЛЯТОРА (№-) СИСТЕМА ОХЛАЖДЕНИЯ, БЕЗ КОНДИЦ. ВОЗДУХА

Схема запчастей Komatsu PC200-8M0 - СИСТЕМА ОХЛАЖДЕНИЯ, ЗАЩИТА ВЕНТИЛЯТОРА (№-) СИСТЕМА ОХЛАЖДЕНИЯ, БЕЗ КОНДИЦ. ВОЗДУХА
1
2
3
22
21
26
27
1
2
3
9
5
6
7
8
4
10
11
14
15
16
17
21
22
23
24
25
28
29
30
18
19
20
12
13
12
13
11
10
FIT
1:1
100%

Артикул

Название

Примечание

Количество

1

20Y-03-32660

Stay

2

01010-81635

Bolt

3

01643-31645

Washer

4

20Y-03-46321

Guard

5

20Y-03-46330

Guard

6

20Y-03-41811

Bracket

7

01010-81020

Bolt

8

01643-31032

Washer

9

20Y-03-46341

Guard

10

01010-81025

Bolt

11

01643-31032

Washer

12

01010-81025

Bolt

13

01643-31032

Washer

14

01010-81050

Bolt

15

01643-31032

Washer

16

01010-81060

Bolt

17

01643-31032

Washer

18

22U-03-31170

Shroud

19

01010-81025

Bolt

20

203-54-56970

Washer

21

01010-81635

Bolt

22

21T-54-16150

Washer

23

01010-81640

Bolt

24

01643-31645

Washer

25

206-03-43340

Clip

26

206-03-21371

Sheet

27

20Y-03-41831

Sheet

28

20Y-62-51481

Bracket

29

01010-81225

Bolt

30

01643-31232

Washer

Выбрано товаров: 30