Запчасти Komatsu PC200-8M0 БОКОВ. КРЫШКА ПРАВ. (№-) БОКОВ. КРЫШКА ПРАВ., KEY ЦИЛИНДР С COVER

Схема запчастей Komatsu PC200-8M0 - БОКОВ. КРЫШКА ПРАВ. (№-) БОКОВ. КРЫШКА ПРАВ., KEY ЦИЛИНДР С COVER
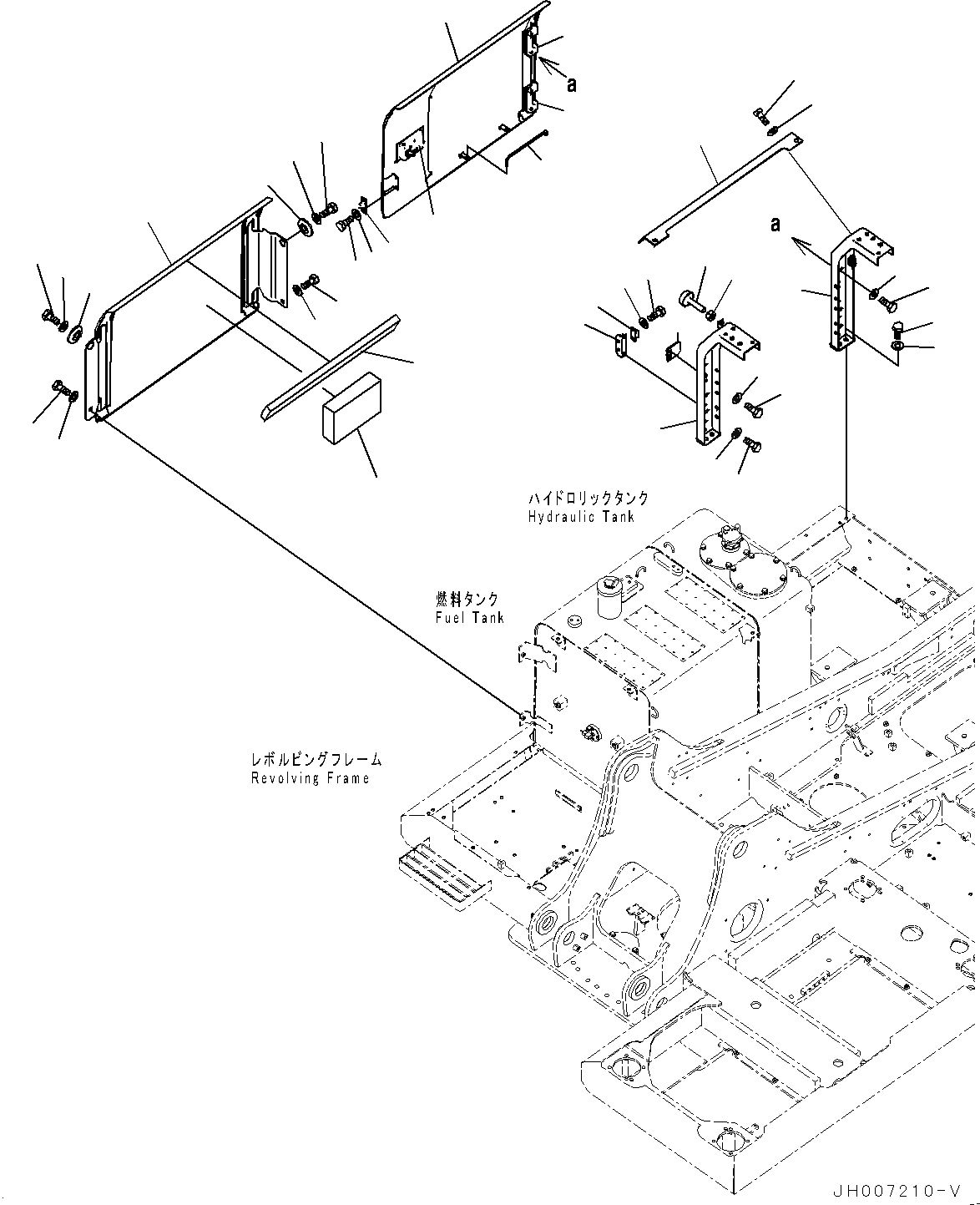
1
2
3
5
4
10
9
11
13
12
14
16
15
17
19
18
20
22
21
23
24
25
27
26
31
34
34
32
32
35
35
33
33
31
7
7
8
6
28
29
30
FIT
1:1
100%

Артикул

Название

Примечание

Количество

1

20Y-54-71411

Frame

2

20Y-54-71421

Frame

3

20Y-54-71431

Plate

4

01010-81225

Bolt

5

01643-31232

Washer

6

20Y-54-77180

Cover

7

20Y-54-63414

Hinge

8

20Y-54-77150

Lock

9

01010-81225

Bolt

10

01643-31232

Washer

11

20Y-54-61470

Plate

12

01010-81225

Bolt

13

01643-31232

Washer

14

205-54-53550

Dovetail

15

01010-80612

Bolt

16

01643-30623

Washer

17

20Y-54-28170

Bracket

18

01010-81225

Bolt

19

01643-31232

Washer

20

205-54-51971

Dovetail

21

01010-80616

Bolt

22

01643-30623

Washer

23

20Y-54-11611

Stopper

24

01580-11008

Nut

25

20Y-54-29232

Bar

26

01010-81230

Bolt

27

01643-31232

Washer

27

20Y-54-77320

Cover

28

Cover

29

20Y-54-61391

Sheet

30

20Y-54-77330

Sheet

31

208-54-57180

Collar

32

01010-81230

Bolt

33

01643-31232

Washer

34

01010-81240

Bolt

35

01643-31232

Washer

Выбрано товаров: 36