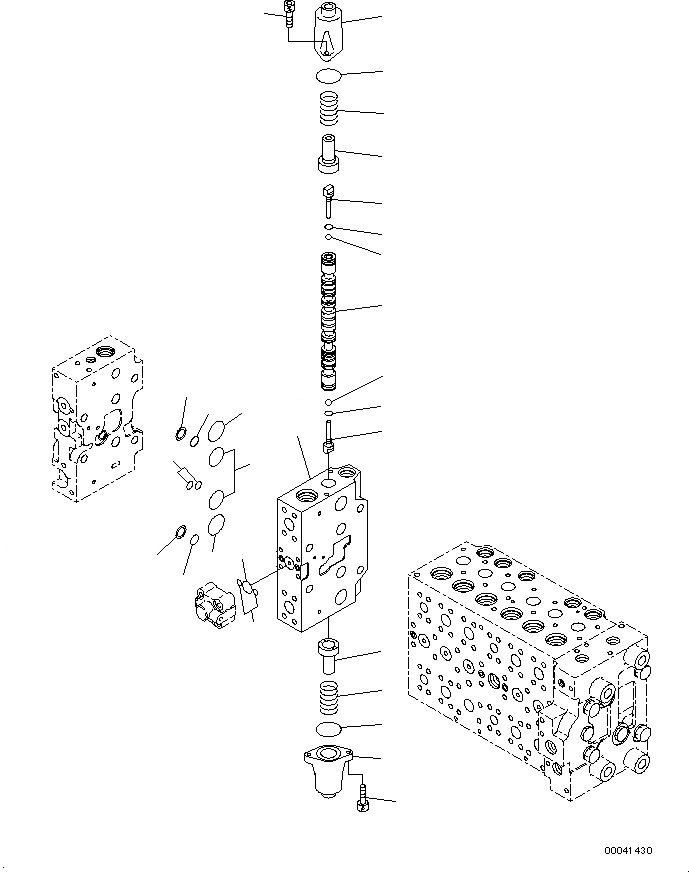
Запчасти Komatsu PC200-8M0 ОСНОВН. УПРАВЛЯЮЩ. КЛАПАН (-ДОПОЛН. АКТУАТОР ТРУБЫ, АККУМУЛЯТОР) (ВНУТР. ЧАСТИ) (7/) H [ГИДРАВЛИКА]

Схема запчастей Komatsu PC200-8M0 - ОСНОВН. УПРАВЛЯЮЩ. КЛАПАН (-ДОПОЛН. АКТУАТОР ТРУБЫ, АККУМУЛЯТОР) (ВНУТР. ЧАСТИ) (7/) H [ГИДРАВЛИКА]
11
12
1
5
4
3
10
3
4
5
2
15
14
15
17
13
10
8
9
7
6
6
7
9
8
13
16
16
FIT
1:1
100%

Артикул

Название

Примечание

Количество

-

723-47-29702

VALVE ASSEMBLY, CONTROL

-

723-47-29701

VALVE ASSEMBLY, CONTROL

-

723-47-29101

VALVE ASSEMBLY, CONTROL

-

BODY SUBASSEMBLY

1

BLOCK

2

SPOOL

3

723-46-15130

PLUG

4

07002-10823

O-RING

5

708-7T-16460

BALL

6

723-46-15120

RETAINER

7

723-46-14110

SPRING

8

723-46-15111

CASE

9

07430-71380

O-RING

10

01252-60820

BOLT, HEXAGON SOCKET HEAD

11

07000-11009

O-RING

12

07000-12021

O-RING

13

723-11-19130

O-RING

14

07000-13032

O-RING

15

723-46-17510

O-RING

16

723-46-17520

RING, BACK-UP

17

723-46-17530

O-RING

Выбрано товаров: 21