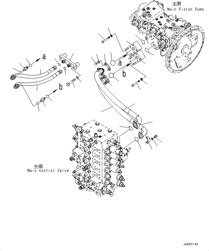
Запчасти Komatsu PC200-8M0 ПОДАЮЩ. ТРУБЫ H [ГИДРАВЛИКА]

Схема запчастей Komatsu PC200-8M0 - ПОДАЮЩ. ТРУБЫ H [ГИДРАВЛИКА]
8
8
10
10
11
12
1
3
5
5
7
6
21
21
20
20
2
4
4
2
9
9
13
18
19
15
16
17
14
15
14
15
15
16
17
FIT
1:1
100%

Артикул

Название

Примечание

Количество

1

07084-01AA9

HOSE, FLANGE TYPE

2

07000-13032

O-RING

3

20Y-62-52690

HOSE

4

07000-13032

O-RING

5

07371-31049

FLANGE, SPLIT

6

07372-21035

BOLT

7

01643-51032

WASHER

8

20Y-62-54130

BLOCK

9

07000-13032

O-RING

10

07371-31049

FLANGE, SPLIT

11

07372-21035

BOLT

12

01643-51032

WASHER

13

20Y-62-54140

BRACKET

14

20Y-62-D2630

HOSE, FACE SEAL TYPE

|$15

02779-004A6

HOSE, FACE SEAL TYPE

15

02896-61012

O-RING

16

02781-00422

UNION

17

07002-62034

O-RING

18

01010-81275

BOLT

19

01643-31232

WASHER

20

01011-81025

BOLT

21

01643-31032

WASHER

Выбрано товаров: 22