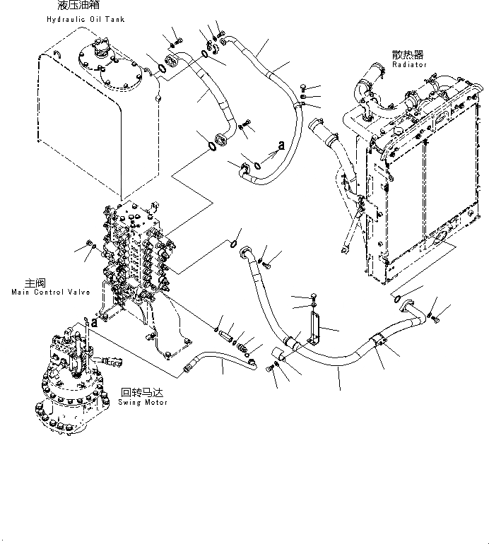
Запчасти Komatsu PC200-8M0 ВОЗВРАТ. ТРУБЫ (-ДОПОЛН. АКТУАТОР ТРУБЫ, АККУМУЛЯТОР) H [ГИДРАВЛИКА]

Схема запчастей Komatsu PC200-8M0 - ВОЗВРАТ. ТРУБЫ (-ДОПОЛН. АКТУАТОР ТРУБЫ, АККУМУЛЯТОР) H [ГИДРАВЛИКА]
21
20
7
10
9
8
10
7
1
3
6
5
11
14
15
13
16
17
33
33
34
28
30
30
29
32
31
22
27
26
25
24
2
2
4
12
18
23
23
29
35
19
FIT
1:1
100%

Артикул

Название

Примечание

Количество

1

206-62-21181

HOSE

2

07000-13048

O-RING

3

01010-81240

BOLT

4

01643-31232

WASHER

5

01010-81240

BOLT

6

01643-31232

WASHER

7

22U-62-21551

CLAMP

8

01010-81225

BOLT

9

01643-31232

WASHER

10

07095-01245

CUSHION

11

203-62-61410

JOINT

12

07002-12434

O-RING

13

02783-10628

ELBOW

14

07002-12434

O-RING

15

02896-11018

O-RING

16

02753-00608

HOSE, FACE SEAL TYPE

17

07040-12412

PLUG

18

07002-12434

O-RING

19

20Y-62-51450

BRACKET

20

01010-81225

BOLT

21

01643-31232

WASHER

22

20Y-62-54110

HOSE

23

07000-13048

O-RING

24

01010-81240

BOLT

25

01643-31232

WASHER

26

01010-81235

BOLT

27

01643-31232

WASHER

28

20Y-62-51332

HOSE

29

07000-13032

O-RING

30

07371-31049

FLANGE, SPLIT

31

07372-21035

BOLT

32

01643-51032

WASHER

33

281-01-13180

CLIP

34

01010-81225

BOLT

35

01643-31232

WASHER

Выбрано товаров: 35