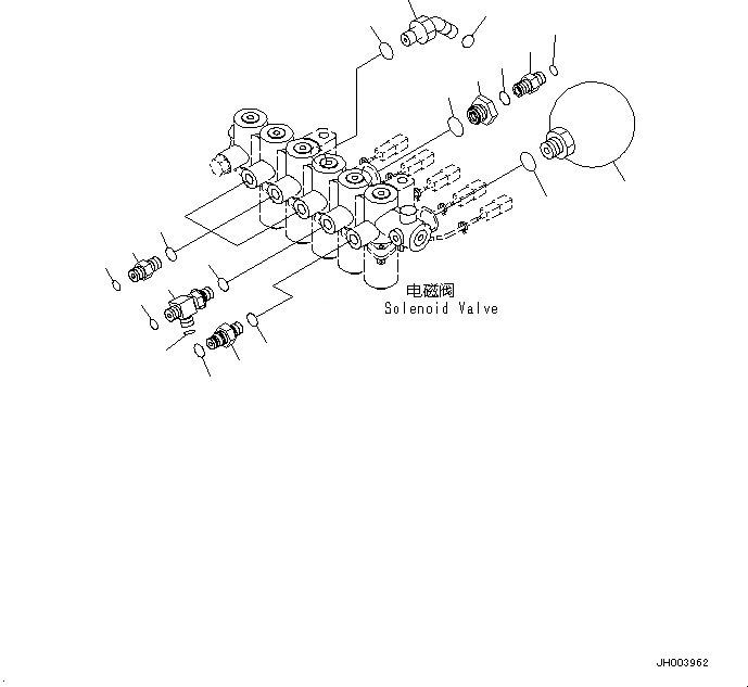
Запчасти Komatsu PC200-8M0 СОЛЕНОИДНЫЙ КЛАПАН (КОМПОНЕНТЫ) H [ГИДРАВЛИКА]

Схема запчастей Komatsu PC200-8M0 - СОЛЕНОИДНЫЙ КЛАПАН (КОМПОНЕНТЫ) H [ГИДРАВЛИКА]
5
2
5
15
14
13
12
11
10
9
8
7
6
3
7
1
4
5
4
4
FIT
1:1
100%

Артикул

Название

Примечание

Количество

1

20Y-62-16630

UNION

2

20Y-62-41960

TEE

3

11Y-62-12130

NIPPLE

4

02896-11008

O-RING

5

07002-11423

O-RING

6

02783-10315

ELBOW

7

02896-11009

O-RING

8

07002-12034

O-RING

9

20Y-62-21940

FILTER ASSEMBLY

10

07002-12034

O-RING

11

11Y-62-12130

NIPPLE

12

02896-11008

O-RING

13

07002-11423

O-RING

14

22U-60-21331

ACCUMULATOR

|$15

22U-60-21330

ACCUMULATOR

15

07002-12034

O-RING

Выбрано товаров: 16