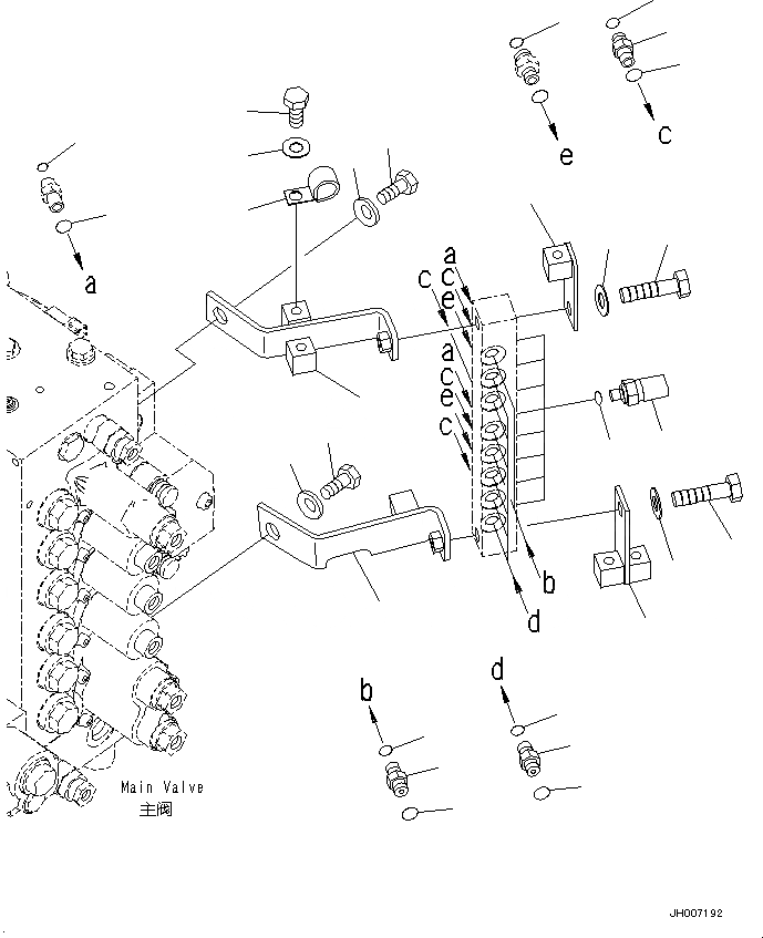
Запчасти Komatsu PC200-8M0 БЛОК ПЕРЕКЛЮЧЕНИЯ ДАВЛЕНИЯ (КОРПУС) H [ГИДРАВЛИКА]

Схема запчастей Komatsu PC200-8M0 - БЛОК ПЕРЕКЛЮЧЕНИЯ ДАВЛЕНИЯ (КОРПУС) H [ГИДРАВЛИКА]
2
8
1
11
7
6
15
16
16
15
21
21
22
22
24
25
23
20
17
19
5
4
3
9
12
14
13
18
10
FIT
1:1
100%

Артикул

Название

Примечание

Количество

1

02896-11008

O-RING

2

07002-11423

O-RING

3

11Y-62-12520

UNION

4

02896-11009

O-RING

5

07002-11423

O-RING

6

11Y-62-12130

NIPPLE

7

02896-11008

O-RING

8

07002-11423

O-RING

9

7861-93-1840

SENSOR

10

07000-12011

O-RING

11

02896-11009

O-RING

12

11Y-62-12130

NIPPLE

13

07002-11423

O-RING

14

02896-11008

O-RING

15

01010-81265

BOLT

16

01643-31232

WASHER

17

20Y-62-51372

BRACKET

|$18

20Y-62-51371

BRACKET

18

20Y-62-51412

BRACKET

|$20

20Y-62-51411

BRACKET

19

20Y-62-51392

BRACKET

20

20Y-62-51352

BRACKET

21

01010-81635

BOLT

22

01643-31645

WASHER

23

04434-52112

CLIP

24

01010-81225

BOLT

25

01643-31232

WASHER

Выбрано товаров: 27