Запчасти Komatsu PC200-8M0 ОСНОВНАЯ РАМА (С ЗАЩИТА НИЖНЕЙ ЧАСТИ)(PC/LC-8M STD ОСНОВНАЯ РАМА &PC/LC-8M УСИЛ.EN ОСНОВНАЯ РАМА) J [РАМА И ITS КОМПОНЕНТЫ]

Схема запчастей Komatsu PC200-8M0 - ОСНОВНАЯ РАМА (С ЗАЩИТА НИЖНЕЙ ЧАСТИ)(PC/LC-8M STD ОСНОВНАЯ РАМА &PC/LC-8M УСИЛ.EN ОСНОВНАЯ РАМА) J [РАМА И ITS КОМПОНЕНТЫ]
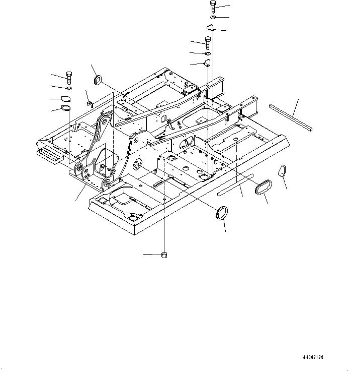
1
2
3
4
5
6
7
8
9
10
11
12
13
14
15
16
17
9
10
FIT
1:1
100%

Артикул

Название

Примечание

Количество

1

20Y-46-D2600

FRAME

|$2

20Y-46-59502

FRAME

2

205-30-71181

COVER

3

205-30-71191

GASKET

4

01010-81230

BOLT

5

01643-31232

WASHER

6

20Y-46-41280

PLUG

|$8

20Y-46-D1241

PLUG

7

20Y-54-61670

BRACKET

8

20Y-54-61680

BRACKET

9

01010-81230

BOLT

10

01643-31232

WASHER

11

20Y-46-52150

SEAL

12

20Y-46-51162

SHEET

13

20Y-46-52141

SHEET

14

206-46-71170

GROMMET

|$17

20Y-46-41170

GROMMET

15

206-46-21180

GROMMET

|$19

20Y-46-51180

GROMMET

16

206-46-21190

GROMMET

|$21

20Y-46-51190

GROMMET

17

20Y-46-51140

GROMMET

Выбрано товаров: 22