Запчасти Komatsu PC200-8M0 КАБИНА (КАБИНА IN ЧАСТИ, ВОЗДУХОВОД И FRESH ВОЗД. ФИЛЬТР.) K [КАБИНА ОПЕРАТОРА И СИСТЕМА УПРАВЛЕНИЯ]

Схема запчастей Komatsu PC200-8M0 - КАБИНА (КАБИНА IN ЧАСТИ, ВОЗДУХОВОД И FRESH ВОЗД. ФИЛЬТР.) K [КАБИНА ОПЕРАТОРА И СИСТЕМА УПРАВЛЕНИЯ]
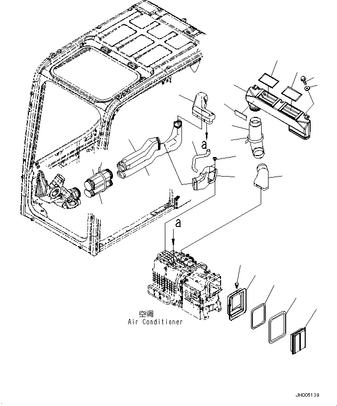
13
9
10
12
11
7
6
3
4
1
5
8
21
2
18
17
14
15
15
16
22
19
20
FIT
1:1
100%

Артикул

Название

Примечание

Количество

1

2A5-979-1211

DUCT

2

2A5-979-1221

DUCT

3

20Y-53-13351

DUCT

4

2A5-979-1231

DUCT

5

2A5-979-1241

DUCT

6

20Y-53-13361

DUCT

7

08034-20876

BAND

8

22B-54-16461

RIVET

9

2A5-979-1252

DUCT

10

2A5-979-1660

SEAL

11

2A5-979-1670

SEAL

12

208-53-12680

CLIP

13

17M-911-3530

ELEMENT

14

20Y-53-13451

DUCT

15

2A5-979-1580

SEAL

16

2A5-979-1590

SEAL

17

01435-80616

BOLT

18

20Y-53-12310

COLLAR

19

208-53-12220

DUCT

20

2A5-979-1261

DUCT

21

2A5-979-1271

HOSE

22

08034-20876

BAND

Выбрано товаров: 22