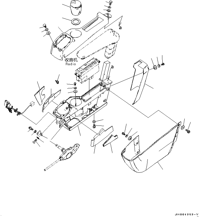
Запчасти Komatsu PC200-8M0 КАБИНА (ПОЛ, КОНСОЛЬ, ЛЕВ.) K [КАБИНА ОПЕРАТОРА И СИСТЕМА УПРАВЛЕНИЯ]

Схема запчастей Komatsu PC200-8M0 - КАБИНА (ПОЛ, КОНСОЛЬ, ЛЕВ.) K [КАБИНА ОПЕРАТОРА И СИСТЕМА УПРАВЛЕНИЯ]
3
2
4
6
5
7
8
9
10
11
16
13
12
15
16
15
16
14
14
17
21
19
18
21
20
21
20
22
25
24
23
28
26
1
27
FIT
1:1
100%

Артикул

Название

Примечание

Количество

1

20Y-43-41416

FRAME

2

01010-81030

BOLT

3

01643-31032

WASHER

4

20Y-43-41472

BRACKET

5

01010-80616

BOLT

6

01643-30623

WASHER

7

20Y-43-41621

SHEET

8

20Y-43-41641

SHEET

9

20Y-43-41424

COVER

10

20Y-43-41651

SHEET

11

20Y-43-41661

SHEET

12

01245-00616

SCREW, HEXAGON SOCKET HEAD

13

01643-70623

WASHER

14

01010-80616

BOLT

15

01643-30623

WASHER

16

20Y-43-41290

COLLAR

17

20Y-43-41442

COVER

18

01245-00616

SCREW, HEXAGON SOCKET HEAD

19

01643-70623

WASHER

20

01435-00612

BOLT

21

20Y-43-41290

COLLAR

22

20Y-43-41453

COVER

23

01245-00616

SCREW, HEXAGON SOCKET HEAD

24

01643-70623

WASHER

25

20Y-43-41290

COLLAR

26

22U-43-23260

CLIP

27

20Y-43-41970

SHEET

28

20Y-43-41491

ASHTRAY

Выбрано товаров: 28