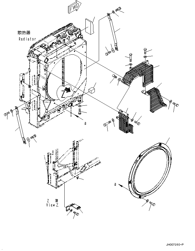
Запчасти Komatsu PC200-8M0 СИСТЕМА ОХЛАЖДЕНИЯ ( AMP. УПЛОТНЕНИЕED ГЕНЕРАТОР, БЕЗ КОНДИЦ. ВОЗДУХА) (ЗАЩИТА ВЕНТИЛЯТОРА) C [СИСТЕМА ОХЛАЖДЕНИЯ]

Схема запчастей Komatsu PC200-8M0 - СИСТЕМА ОХЛАЖДЕНИЯ ( AMP. УПЛОТНЕНИЕED ГЕНЕРАТОР, БЕЗ КОНДИЦ. ВОЗДУХА) (ЗАЩИТА ВЕНТИЛЯТОРА) C [СИСТЕМА ОХЛАЖДЕНИЯ]
1
2
3
19
18
23
24
1
2
3
6
5
4
11
12
13
14
18
19
20
21
10
9
7
8
10
9
7
8
22
25
26
27
15
16
17
FIT
1:1
100%

Артикул

Название

Примечание

Количество

1

20Y-03-32660

STAY

2

01010-81635

BOLT

3

01643-31645

WASHER

4

20Y-03-46420

GUARD

5

20Y-03-46330

GUARD

6

20Y-03-46341

GUARD

7

01010-81025

BOLT

8

01643-31032

WASHER

9

01010-81025

BOLT

10

01643-31032

WASHER

11

01010-81050

BOLT

12

01643-31032

WASHER

13

01010-81060

BOLT

14

01643-31032

WASHER

15

22U-03-31170

SHROUD

16

01010-81025

BOLT

17

203-54-56970

WASHER

18

01010-81635

BOLT

19

21T-54-16150

WASHER

20

01010-81640

BOLT

21

01643-31645

WASHER

22

206-03-43340

CLIP

23

206-03-21371

SHEET

24

20Y-03-41831

SHEET

25

20Y-62-51481

BRACKET

26

01010-81225

BOLT

27

01643-31232

WASHER

Выбрано товаров: 27