Запчасти Komatsu PC200-8M0 КОМПОНЕНТЫ ДВИГАТЕЛЯ (ОСНОВН. НАСОС) (/) B [КОМПОНЕНТЫ ДВИГАТЕЛЯ]

Схема запчастей Komatsu PC200-8M0 - КОМПОНЕНТЫ ДВИГАТЕЛЯ (ОСНОВН. НАСОС) (/) B [КОМПОНЕНТЫ ДВИГАТЕЛЯ]
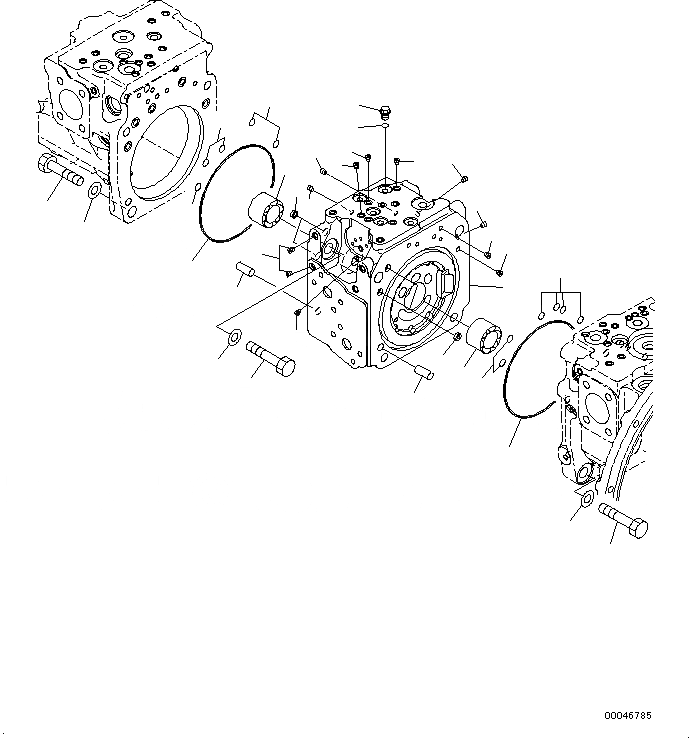
1
3
4
5
6
7
10
11
4
3
2
2
2
2
2
2
2
2
5
12
12
2
7
9
9
8
8
8
9
6
6
6
6
FIT
1:1
100%

Артикул

Название

Примечание

Количество

-

708-2L-00400

PUMP ASSEMBLY

-

708-2L-01400

PUMP SUBASSEMBLY

-

708-2L-06450

CAP ASSEMBLY

1

CAP

2

PLUG

3

708-2L-32260

BEARING

4

07000-A5165

O-RING

5

04020-01228

PIN, DOWEL

6

07000-B2012

O-RING

7

708-2L-25480

FILTER

8

01010-61655

BOLT

9

01643-31645

WASHER

10

708-8E-16150

PLUG

11

07002-61023

O-RING

12

708-1L-29340

ORIFICE

Выбрано товаров: 15