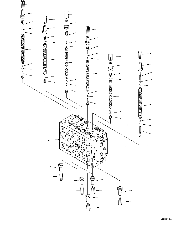
Запчасти Komatsu PC200-8M0 ОСНОВН. УПРАВЛЯЮЩ. КЛАПАН (ВНУТР. ЧАСТИ) (/7) H [ГИДРАВЛИКА]

Схема запчастей Komatsu PC200-8M0 - ОСНОВН. УПРАВЛЯЮЩ. КЛАПАН (ВНУТР. ЧАСТИ) (/7) H [ГИДРАВЛИКА]
7
9
10
11
14
18
11
10
10
3
8
8
13
16
10
10
7
8
10
11
15
14
16
17
19
13
12
19
16
13
12
11
10
8
7
6
5
4
3
2
1
10
11
16
11
16
10
7
10
9
7
7
10
11
12
16
11
10
12
16
15
FIT
1:1
100%

Артикул

Название

Примечание

Количество

-

723-46-29701

VALVE ASSEMBLY, CONTROL

-

723-46-29700

VALVE ASSEMBLY, CONTROL

-

723-46-29100

VALVE ASSEMBLY, CONTROL

-

BODY SUBASSEMBLY

1

VALVE BODY

2

SPOOL

3

SPOOL

4

SPOOL

5

SPOOL

6

SPOOL

7

723-46-15130

PLUG

8

723-46-15140

PLUG

9

723-46-15650

PLUG

10

07002-10823

O-RING

11

708-7T-16460

BALL

12

723-46-15120

RETAINER

13

723-46-15690

RETAINER

14

723-46-15950

RETAINER

15

723-46-15880

RETAINER

16

723-46-14110

SPRING

17

723-46-14280

SPRING

18

723-46-14290

SPRING

19

723-46-14131

SPRING

Выбрано товаров: 23