Запчасти Komatsu PC200-8M0 ОСНОВН. УПРАВЛЯЮЩ. КЛАПАН (СОЕДИНИТЕЛЬН. ЧАСТИ) (/) H [ГИДРАВЛИКА]

Схема запчастей Komatsu PC200-8M0 - ОСНОВН. УПРАВЛЯЮЩ. КЛАПАН (СОЕДИНИТЕЛЬН. ЧАСТИ) (/) H [ГИДРАВЛИКА]
5
14
13
17
17
6
17
13
14
15
16
17
6
5
17
17
12
11
12
1
2
1
2
17
9
10
17
3
4
17
7
8
17
3
4
8
7
17
17
7
8
20
18
20
19
FIT
1:1
100%

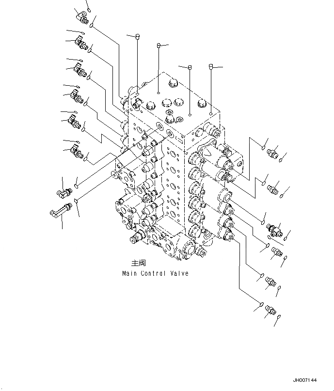
Артикул

Название

Примечание

Количество

1

07049-01012

PLUG

2

07049-01215

PLUG

3

20Y-62-45620

ELBOW

4

02896-11008

O-RING

5

20Y-62-45610

NIPPLE

6

02896-11008

O-RING

7

11Y-62-12160

ELBOW

8

02896-11008

O-RING

9

02782-10311

ELBOW

10

02896-11009

O-RING

11

11Y-62-12330

TEE

12

02896-11008

O-RING

13

11Y-62-12130

NIPPLE

14

02896-11008

O-RING

15

11Y-62-12520

UNION

16

02896-11009

O-RING

17

07002-11423

O-RING

18

02782-10212

ELBOW

19

02782-10210

ELBOW

20

07002-11423

O-RING

Выбрано товаров: 20