Запчасти Komatsu PC200-8M0 ОСНОВН. УПРАВЛЯЮЩ. КЛАПАН (СОЕДИНИТЕЛЬН. ЧАСТИ) (/) H [ГИДРАВЛИКА]

Схема запчастей Komatsu PC200-8M0 - ОСНОВН. УПРАВЛЯЮЩ. КЛАПАН (СОЕДИНИТЕЛЬН. ЧАСТИ) (/) H [ГИДРАВЛИКА]
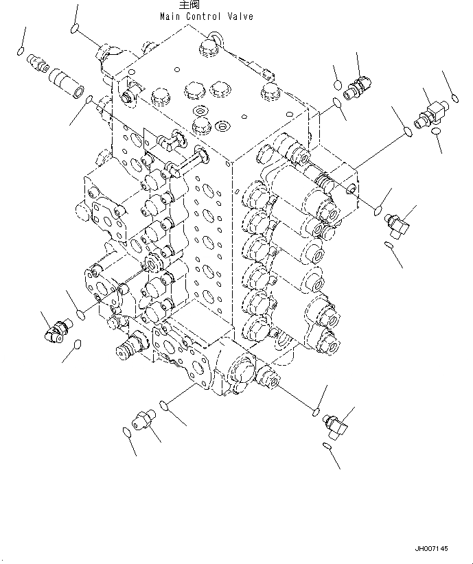
3
14
13
13
15
16
17
6
5
11
12
1
2
1
2
9
10
3
4
7
4
8
FIT
1:1
100%

Артикул

Название

Примечание

Количество

1

02896-11008

O-RING

2

20Y-62-41920

ELBOW

3

02896-11008

O-RING

4

07002-11223

O-RING

5

02896-11008

O-RING

6

11Y-62-12160

ELBOW

7

02896-11008

O-RING

8

07002-11423

O-RING

9

11Y-62-12160

ELBOW

10

02896-11008

O-RING

11

07002-11423

O-RING

12

11Y-62-12330

TEE

13

02896-11008

O-RING

14

07002-11423

O-RING

15

11Y-62-12520

UNION

16

02896-11009

O-RING

17

07002-11423

O-RING

Выбрано товаров: 17