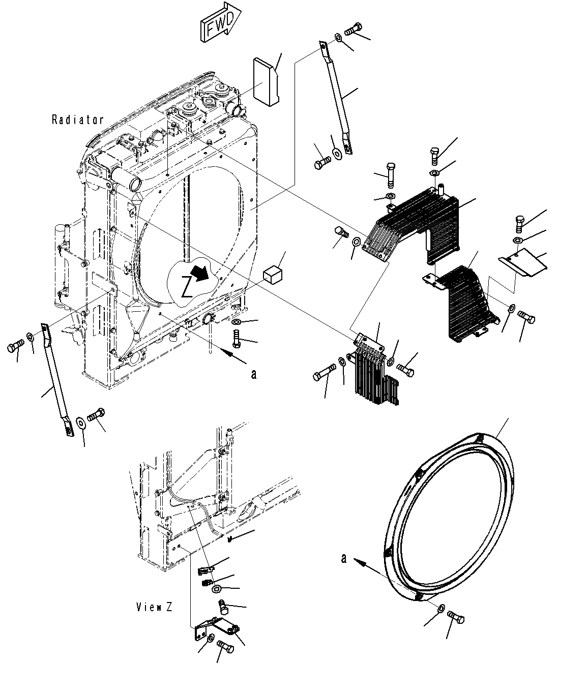
Запчасти Komatsu PC200-8M0 ЗАЩИТА ВЕНТИЛЯТОРА C

Схема запчастей Komatsu PC200-8M0 - ЗАЩИТА ВЕНТИЛЯТОРА C
2
3
1
22
21
26
14
15
10
11
9
4
7
8
6
11
10
18
12
13
5
13
12
27
24
23
17
16
19
20
25
32
31
34
33
28
29
30
21
22
1
3
2
FIT
1:1
100%

Артикул

Название

Примечание

Количество

1

20Y-03-32660

STAY

2

01010-81635

BOLT

3

01643-31645

WASHER

4

20Y-03-46321

GUARD

5

20Y-03-46330

GUARD

6

20Y-03-46430

BRACKET

7

01010-81020

BOLT

8

01643-31032

WASHER

9

20Y-03-46341

GUARD

10

01010-81025

BOLT

11

01643-31032

WASHER

12

01010-81025

BOLT

13

01643-31032

WASHER

14

01010-81050

BOLT

15

01643-31032

WASHER

16

01010-81060

BOLT

17

01643-31032

WASHER

18

22U-03-31170

SHROUD

19

01010-81025

BOLT

20

203-54-56970

WASHER

21

01010-81635

BOLT

22

21T-54-16150

WASHER

23

01010-81640

BOLT

24

01643-31645

WASHER

25

206-03-43340

CLIP

26

206-03-21371

SHEET

27

20Y-03-41831

SHEET

28

20Y-62-51481

BRACKET

29

01010-81225

BOLT

30

01643-31232

WASHER

31

20Y-979-6191

SENSOR

32

20Y-979-6271

BRACKET

33

01010-80616

BOLT

34

01643-30623

WASHER

Выбрано товаров: 34