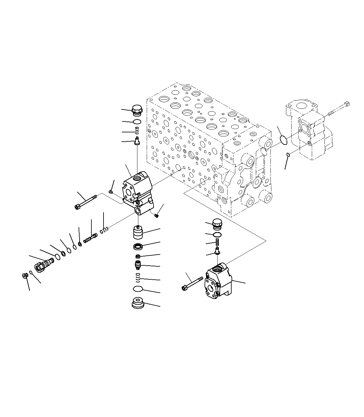
Запчасти Komatsu PC200-8M0 ОСНОВН. УПРАВЛЯЮЩ. КЛАПАН(ВНУТР. ЧАСТИ)(/7) H

Схема запчастей Komatsu PC200-8M0 - ОСНОВН. УПРАВЛЯЮЩ. КЛАПАН(ВНУТР. ЧАСТИ)(/7) H
24
25
27
30
31
29
28
23
32
2
3
5
4
6
8
7
11
12
10
9
1
23
22
26
21
18
17
15
16
14
13
20
19
FIT
1:1
100%

Артикул

Название

Примечание

Количество

|$1

723-46-29100

CONTROL VALVE

|$2

723-40-82501

VALVE ASS'Y

1

BODY

2

VALVE

3

SEAL

4

723-40-82210

PLUG

5

723-40-82220

FILTER

6

723-40-82140

SPRING

7

723-40-82150

PLUG

8

07002-13334

O-RING

9

723-40-84420

CHECK VALVE

10

723-40-84430

SPRING

11

723-40-84440

PLUG

12

07000-13024

O-RING

13

PLUG

14

07002-11823

O-RING

15

07000-12011

O-RING

16

07001-02011

RING

17

07000-11010

O-RING

18

07001-01010

RING

19

723-11-18190

PLUG

20

07002-11023

O-RING

21

PISTON

22

723-40-82290

SPRING

23

PLUG

24

07000-13038

O-RING

25

07000-11010

O-RING

26

01252-61075

BOLT, HEXAGON SOCKET HEAD

|$29

723-40-84601

VALVE ASS'Y

27

723-40-84410

BLOCK

28

723-40-84420

CHECK VALVE

29

723-40-84430

SPRING

30

723-40-84440

PLUG

31

07000-13024

O-RING

32

01252-61070

BOLT, HEXAGON SOCKET HEAD

Выбрано товаров: 35