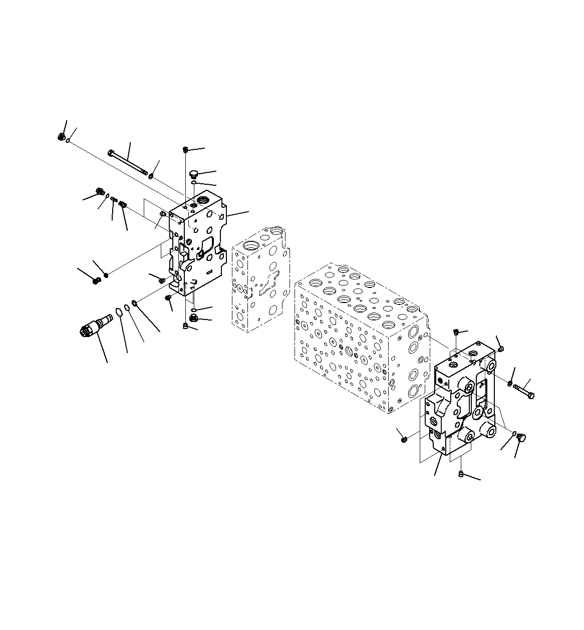
Запчасти Komatsu PC200-8M0 ОСНОВН. УПРАВЛЯЮЩ. КЛАПАН(ВНУТР. ЧАСТИ)(7/)(-АКТУАТОР) H

Схема запчастей Komatsu PC200-8M0 - ОСНОВН. УПРАВЛЯЮЩ. КЛАПАН(ВНУТР. ЧАСТИ)(7/)(-АКТУАТОР) H
5
5
21
22
6
7
5
4
5
1
7
6
2
21
2
3
16
7
6
2
2
13
12
11
20
9
8
18
19
17
14
15
10
FIT
1:1
100%

Артикул

Название

Примечание

Количество

|$1

723-47-29101

CONTROL VALVE

|$2

723-47-29100

CONTROL VALVE

|$3

723-46-00630

COVER ASS'Y

1

COVER ASS'Y

2

PLUG

3

PLUG

|$7

723-46-00980

COVER ASS'Y

4

COVER

5

PLUG

6

708-8E-16250

PLUG

7

07002-11823

O-RING

8

708-8H-11530

PLUG

9

07002-11423

O-RING

10

723-46-17600

PLUG ASS'Y

11

07002-11423

O-RING

12

07000-11007

O-RING

13

07001-01007

RING, BACK-UP

14

723-40-82220

FILTER

15

723-46-17550

PLUG

16

723-46-15190

VALVE

17

723-46-14140

SPRING

18

708-8E-16160

PLUG

19

07002-11023

O-RING

20

01011-61455

BOLT

21

01643-31445

WASHER

22

01010-61490

BOLT

Выбрано товаров: 26