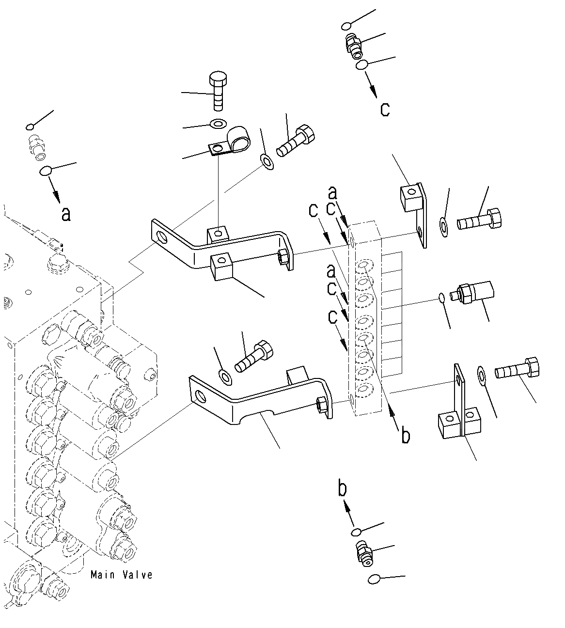
Запчасти Komatsu PC200-8M0 БЛОК ПЕРЕКЛЮЧЕНИЯ ДАВЛЕНИЯ(КОРПУС) H

Схема запчастей Komatsu PC200-8M0 - БЛОК ПЕРЕКЛЮЧЕНИЯ ДАВЛЕНИЯ(КОРПУС) H
11
12
9
10
11
12
13
5
3
4
16
18
17
15
19
2
14
8
6
7
17
18
20
21
1
FIT
1:1
100%

Артикул

Название

Примечание

Количество

1

02896-11008

O-RING

2

07002-11423

O-RING

3

11Y-62-12520

UNION

4

02896-11009

O-RING

5

07002-11423

O-RING

6

11Y-62-12130

NIPPLE

7

02896-11008

O-RING

8

07002-11423

O-RING

9

7861-93-1840

SENSOR

10

07000-12011

O-RING

11

01010-81265

BOLT

12

01643-31232

WASHER

13

20Y-62-51371

BRACKET

14

20Y-62-51411

BRACKET

15

20Y-62-51392

BRACKET

16

20Y-62-51352

BRACKET

17

01010-81635

BOLT

18

01643-31645

WASHER

19

04434-52112

CLIP

20

01010-81225

BOLT

21

01643-31232

WASHER

Выбрано товаров: 21