Запчасти Komatsu PC200-8M0 РУКОЯТЬ (СОЕДИНЕНИЕ КОВША) (.9M) T

Схема запчастей Komatsu PC200-8M0 - РУКОЯТЬ (СОЕДИНЕНИЕ КОВША) (.9M) T
8
19
23
14
16
17
7
22
21
15
17
5
20
2
5
17
9
5
12
4
2
5
11
18
10
17
6
7
3
13
1
3
6
4
FIT
1:1
100%

Артикул

Название

Примечание

Количество

|$1

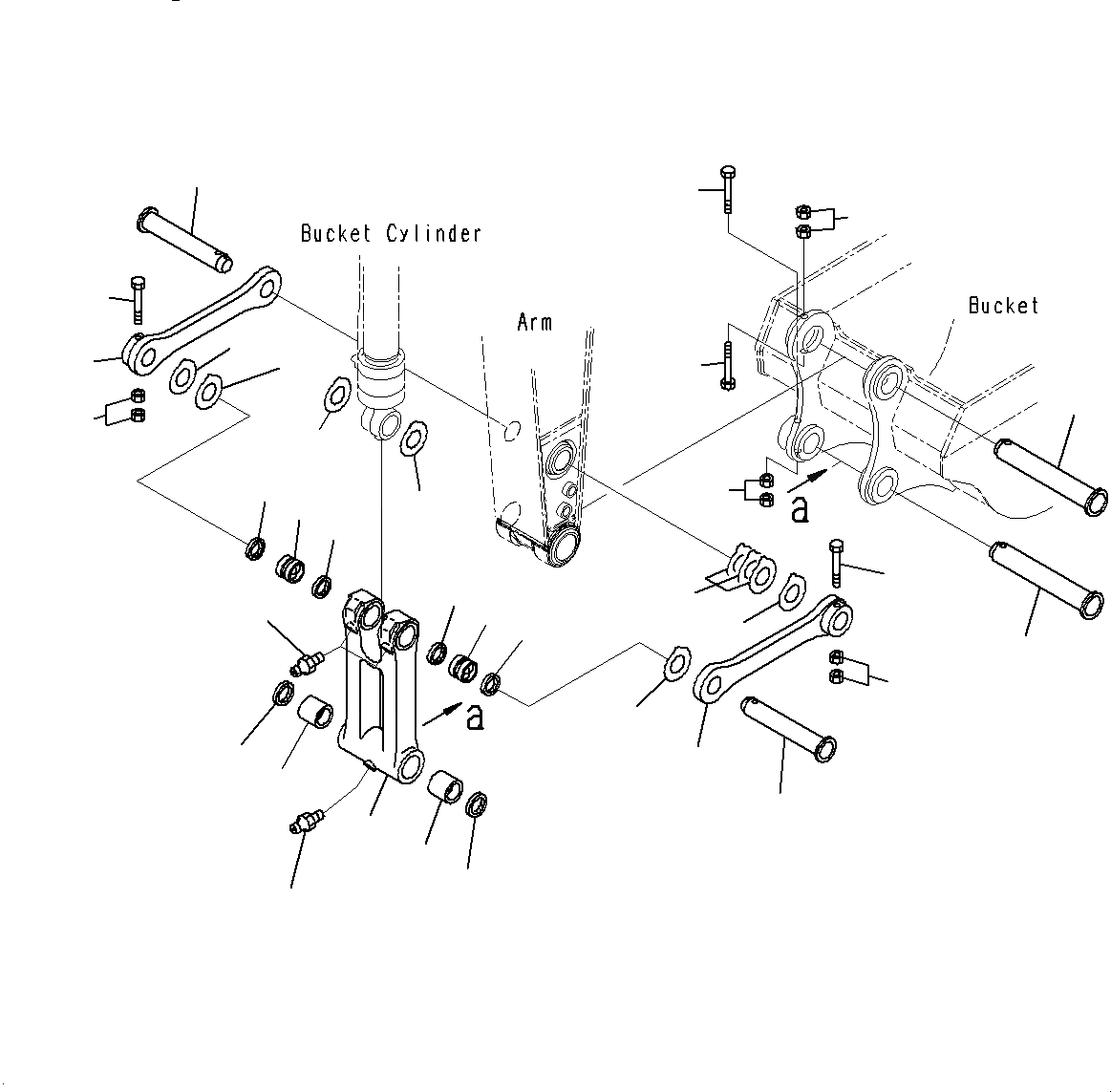
20Y-70-01240

LINK ASSY 100H

1

LINK

2

21K-70-12161

BUSHING

3

205-70-73180

BUSHING

4

07020-00000

FITTING

5

20Y-70-23220

SEAL DUST

6

20Y-70-23230

SEAL DUST

7

205-70-73130

LINK

8

22U-70-21191

PIN

9

20Y-70-32450

BOLT

10

01580-12016

NUT

11

20Y-70-11320

SPACER, T=0.8MM

12

20Y-70-11330

SPACER, T=1.5MM

13

22U-70-21191

PIN

14

20Y-70-32450

BOLT

15

01580-12016

NUT

16

20Y-70-11320

SPACER, T=0.8MM

17

20Y-70-11330

SPACER, T=1.5MM

18

205-70-73270

PIN

19

20Y-70-32450

BOLT

20

01580-12016

NUT

21

205-70-73270

PIN

22

20Y-70-32460

BOLT

23

01580-12016

NUT

Выбрано товаров: 24